| Quantity: 0 pcs |
| Material: Aluminum |
| Fire-resistant level: A60 |
| Clear size: 1200*800mm |
| Certificate: ABS |
1200*800 A60 Fireproof Window

A60 fireproof window is made of high quality aluminum alloy. It can meet the requirement of A60, suitable for ship & offshore where with A60 fireproof requirements.
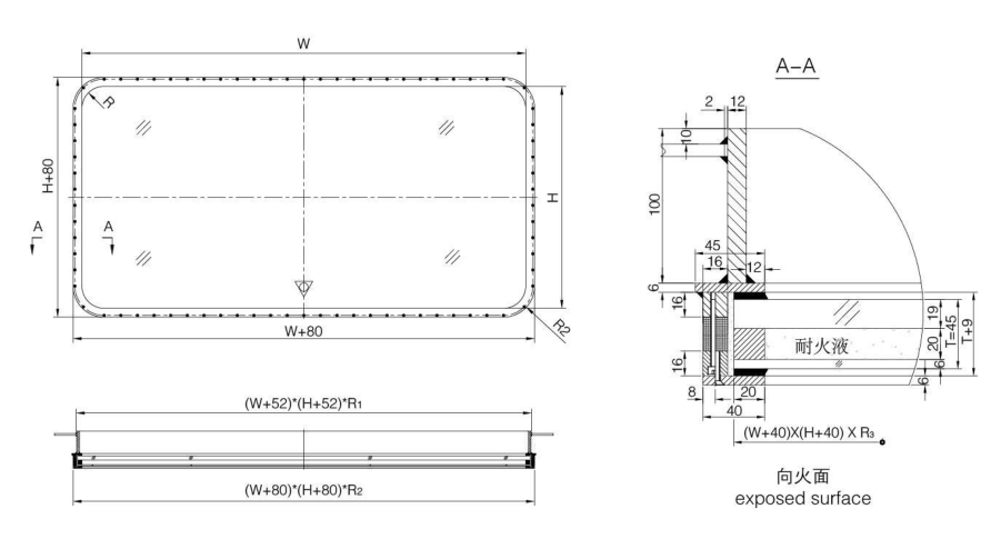
Drawing & Specifications

| nominal size W*H*R | cutout in steel wall | glass outline side(mm) | Glass thickness(T) | ||||
| E(t)+20+6=T | F(t)+20+6=T | ||||||
| 1200*800 | R100 | 1252*852 | R126 | 1240*840 | R120 | 15+20+6=41 | 12+20+6=38 |
Product Picture

BACK TO TOP