| Quantity: 0 pcs |
| Material: Steel |
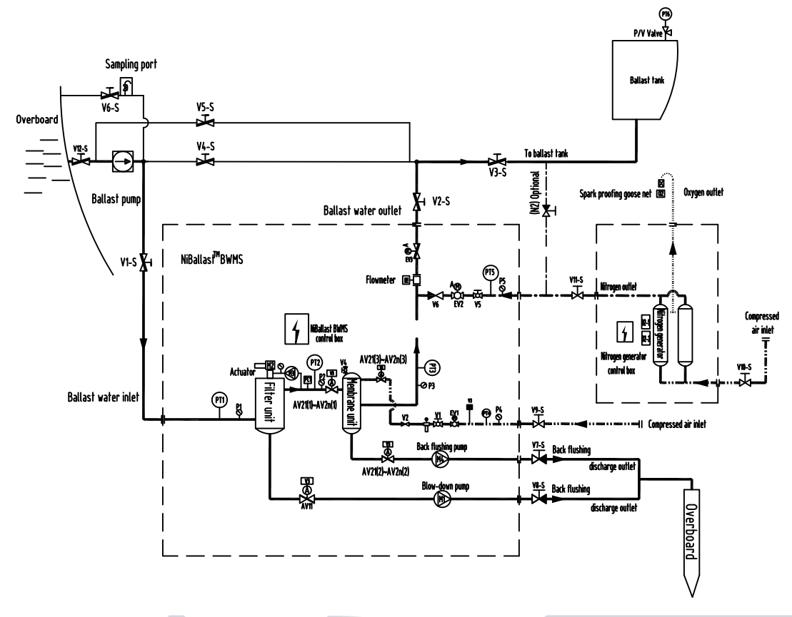
| Process Mode: Filtration + Nitrogen |
| Standard: IMO MEPC.279(70) |
| Certificate: LR |
1200m³per hour Ballast Water Management

Technical Specifications
| TRC m³/h | 1200 | ||
| Filter unit | configure power KW | 11.75 | |
| Outline | L | 1600 | |
| W | 1150 | ||
| H | 2310 | ||
| Pressure drop | 0.05MPa | ||
| Apertureoffilter candle μm | 50 | ||
| Membrane unit | configure power KW | 11 | |
| Outline | L | 3650 | |
| W | 2600 | ||
| H | 2300 | ||
| Pressure drop | 0.05MPa | ||
| Membrane unit | N2concentration | 99% | |
| N2flowrate | 25.7 | ||
| Outline | L | 1950 | |
| W | 700 | ||
| H | 2075 | ||
| configure power KW | 1.2 | ||
| Control unit | Protection grade | IP44/IP56 | |
| Outline | L | 650 | |
| W | 700 | ||
| H | 250 | ||
| Compressed Air | 0.7MPa | ||
| Total configure power KW | 23.95 | ||
| Salinity limitation | Nolimitation | ||
| Discharge standard | D-2 | ||

Ballasting

Deballasting
BACK TO TOP