| Quantity: 0 pcs |
| Material: Steel |
| Process Mode: Filtration + Nitrogen |
| Standard: IMO MEPC.279(70) |
| Certificate: ABS |
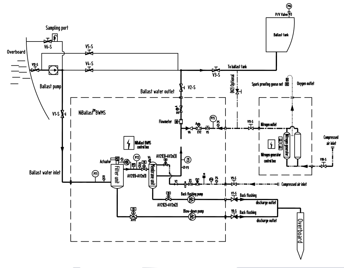
1500m³per hour Ballast Water System

Technical Specifications
| TRC m³/h | 1500 | ||
| Filter unit | configure power KW | 11.75 | |
| Outline | L | 1400 | |
| W | 1400 | ||
| H | 2150 | ||
| Pressure drop | 0.05MPa | ||
| Apertureoffilter candle μm | 50 | ||
| Membrane unit | configure power KW | 11 | |
| Outline | L | 4050 | |
| W | 2850 | ||
| H | 2650 | ||
| Pressure drop | 0.05MPa | ||
| Membrane unit | N2concentration | 99% | |
| N2flowrate | 36.6 | ||
| Outline | L | 1950 | |
| W | 700 | ||
| H | 2250 | ||
| configure power KW | 1.2 | ||
| Control unit | Protection grade | IP44/IP56 | |
| Outline | L | 650 | |
| W | 700 | ||
| H | 250 | ||
| Compressed Air | 0.7MPa | ||
| Total configure power KW | 23.95 | ||
| Salinity limitation | Nolimitation | ||
| Discharge standard | D-2 | ||
Ballasting

Deballasting

BACK TO TOP