| Quantity: 2 sets |
| Chain diameter: 17.5 mm |
| Working load: 13.01 kN / Support load: 80.6 kN |
| Anchor speed: 9 m/min |
| Driving Type: Electric Driving |
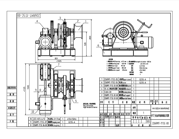
17.5 mm Electric Single Gypsy Windlass
Technical Parameters
1. Chain diameter: φ17.5 mm
2. Working load: 13.01 kN
3. Over load: 19.5 kN
4. Support load: 80.6 kN
5. Anchor speed: ≥ 9 m/min
6. The depth of anchor: ≤ 82.5 m
7. Warping head: Single warping head
8. Gypsy wheel: Single gypsy wheel
9.Electric Motor:
Model: JZ2-H23-4/12
Power: 4.3/1.7 kW
Speed: 1350/410 r/min
Duty: 415V/50HZ
Protection grade: IP56
Insulation grade: F
Drawing of 17.5 mm Electric Single Gypsy Windlass

Testing Images of 17.5 mmElectric Single Gypsy Windlass

Finished Images of 17.5 mmElectric Single Gypsy Windlass

BACK TO TOP