| Quantity: 1 set |
| Anchor chain diameter: 20.5mm |
| Working load: 17.9kN |
| Rope diameter: 22mm |
| Driving Type: Electric Driving |
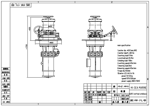
20.5mm Vertical Capstan
Main Technical Parameters
Chain Diameter: φ20.5mm
Anchor depth: ≤82.5m
Working load: 17.9kN
Over pull: 26.9kN
Holding load: 110kN
Working speed: ≥12m/min
Mooring load: 26kN
Mooring speed: ≥15m/min
Rope diameter: φ22mm
E-motor
Model: JZ2-H41/4/16
Power: 12/3.5kW
Duty: 380v/50Hz
Speed: 1370/320r/min
Drawing of 20.5mm Vertical Capstan

BACK TO TOP