| Quantity: 0 |
| Chain diameter: 32 mm |
| Working load: 43.5kN |
| Anchor speed: u2265 9 m/min |
| Driving Type: Hydraulic |
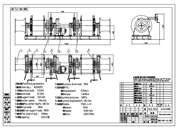
32mm Hydraulic Mooring Windlass
Techhical parameters
Chain dia,.: φ32(AM2)
working load: 43.5kN
Overload: 65.3kN
Support load: 262.4kN
Anchor speed: ≥9m/min
Max anchor depth: ≤82.5m
Drum load: 30kN
Drum support load: 90kN
The steel of dia,: φ28mm
Capacity: 140m (5层)
Auxiliary drum load: 10kN
HYD,.
Displacement:1570ml/r
Norque: 4361N.m
System pressure: 16MPa
System displacement: 48L/min
Model: Y160L-4-H
Power: 15kW
Speed: 1460r /min
Duty: 400V/50Hz
Drawing of 32mm Hydraulic Mooring Windlass

BACK TO TOP