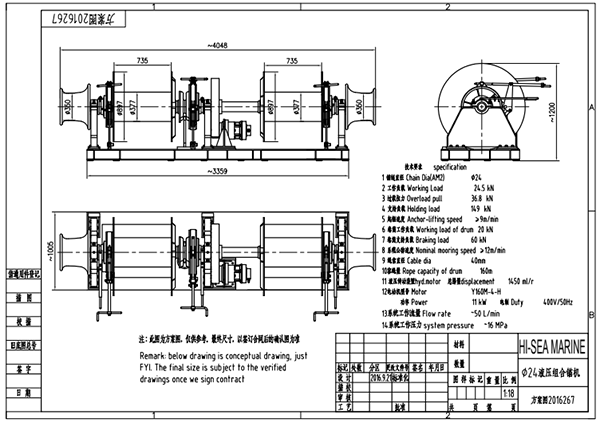
| Quantity: 1 set |
| Gypsy wheel: single gypsy; Chain diameter: 24 mm; Chain level: AM2 |
| Drum: double drum; Cable diameter: 40mm; Drum capacity: 160m |
| Anchor-lifting speed: 9m/min; Nominal mooring speed: 12m/min |
| Driving Type: Hydraulic |
40mm Hydraulic Windlass Mooring Winch
Techhical parameters
Chain dia.: φ24(AM2)
Working load: 24.5kN
Overload pull: 36.8kN
Holdingload: 149kN
Anchor-lifting speed: ≥9m/min
Working load of drum: 20kN
Drum support load: 60kN
Nominal mooring speed: ≥12m/min
Cable dia,: φ40mm
Capacity: 160m
HYD, motor
Displacement: 1450ml/r
System pressure: 16MPa
Flow rate: 50L/min
Motor
Model: Y160M-4-H
Power: 11kW
Duty: 400V/50Hz
Drawing of 40mm Hydraulic Windlass Mooring Winch

BACK TO TOP