| Quantity: 2 sets |
| Chain Diameter:48 mm |
| Working load: 109.4kN |
| Speed: 9m/min |
| Driving Type: Electric |
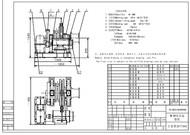
48mm Combined Windlass
Main Technical Parameters
1. Chain diameter: φ48mm (AM2)
2. Working load: 109.4kN (Customer's requirement)
3. Anchor-lifting speed: 164.1 kN
4. Holding load: 630kN (Customer's requirement)
5. Normal speed: ≥10m/min
6. E-motor
Model: JZ2-H61-4/8/16
Power: 30/30/22kW
Speed: 1420/670/300r/min
Voltage: 600V/60Hz
Working duty: 10/30/5min
Drawing of 48mm Combined Windlass

BACK TO TOP