| Quantity: 1 set |
| Working load: 57 kN; Support load: 171 kN |
| Drum: single drum; Cable diameter: 18mm; Capacity: 100m |
| Brake: manual or hydraulic operated |
| Driving Type: Hydraulic |
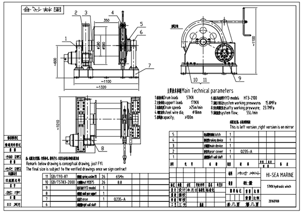
57 kN Hydraulic Winch
Main Technical Requirements
Working load: 57kN
Support load: 171kN
Drum speed: ≥25m/min
Cable diameter: φ18mm
Drum capacity: ≥100m
HYD. Motor
Model: HT3-2100
System working pressure: 15.8Mpa
Safty working pressure: 23.7Mpa
System flow:~55 L/min
Drawing of 57 kN Hydraulic Winch

BACK TO TOP