| Standard: CB 887-77 |
| Type: Swivel Type |
| Suitable chain size: 28mm~57mm |
| Availible cert.: CCS, ABS, BV, DNV, LR and other certificates. |
CB 887-77 Watertight Swivel Type Anchor Releaser

Introduction:
The watertight swivel type anchor releaser in the CB 887-77 standard has good waterproof performance. When the ship needs to leave quickly when the ship encounters wind and waves when anchoring, the watertight swivel type anchor releaser can quickly release the anchor chain to ensure the safety of the ship. The watertight swivel type anchor releaser is suitable for anchor chains from 28mm to 57mm, and the material is carbon steel, lead brass, and iron brass. We can issue CCS, ABS, BV, DNV and other certificates for the products.
We can also provide many types of marine equipments. If you want more informations about our products, please contact us by sending an email or make us a phone call.
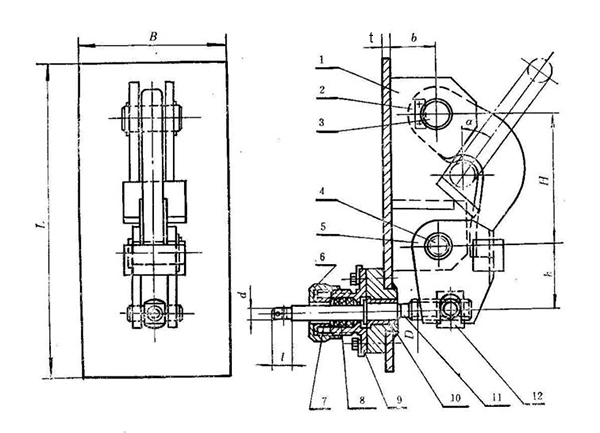
Drawings and Parameters of CB 887-77 Watertight Swivel Type Anchor Releaser:

Anchor Chain Dia. (mm) | H | h | b | L | B | t | D | d | l | Weight (kg) |
28 | 170 | 65 | 60 | 500 | 200 | 10 | T24×5 | 18 | 45 | 22.73 |
31 | 180 | 70 | 70 | 510 | 210 | 10 | T26×5 | 18 | 45 | 27.74 |
34 | 180 | 70 | 70 | 510 | 210 | 10 | T26×5 | 18 | 45 | 28.1 |
43 | 200 | 75 | 80 | 550 | 250 | 12 | T26×5 | 18 | 45 | 48.67 |
49 | 220 | 85 | 80 | 560 | 260 | 14 | T32×6 | 18 | 45 | 63.63 |
53 | 235 | 90 | 90 | 575 | 275 | 14 | T32×6 | 18 | 45 | 78.30 |
57 | 235 | 90 | 90 | 575 | 275 | 14 | T32×6 | 18 | 45 | 79.47 |
BACK TO TOP