| Standard: CB/T 4462-2016 |
| Type: Bar type |
| Suitable chain size: 12.5mm~68mm |
| Availible cert.: CCS, ABS, BV, DNV, LR and other certificates. |
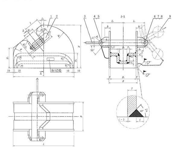
CBT4462-2016 Bar Type Chain Stopper

Introduction:
The standard CB/T 4462-2016 is an alternative version of CB 286-84. The bar type chain stopper specified in the standard CB/T 4462-2016 has modified the structure of the guillotine from steel castings to steel plate welding, as well as the basic dimensions of the chain stopper, etc. The bar type chain stopper under this standard is suitable for anchor chains with a diameter of 12.5mm~68mm.
The main parts are made of ship and marine engineering structural steel, carbon structural steel, stainless steel and so on. The welding part of the bar type chain stopper should be free of burrs, cracks and other defects, and the sharp corners should be chamfered. We also operate a variety of marine equipment and have a wealth of relevant experience. If you are interested in our products, please contact us.
Drawings and Parameters of CBT4462-2016 Bar Type Chain Stopper:

Form 1-1:
Nominal Size | Applicable Anchor Chain Dia. (mm) | B | B1 | B2 | B3 | L | L1 | L2 | L3 | L4 | L5 | H | H1 | H2 | R |
14 | 12.5~14 | 112 | 92 | 24 | 44 | 235 | 90 | 14 | 48 | 19 | 47 | 162 | 85 | 75 | 70 |
17.5 | 16~17.5 | 132 | 112 | 30 | 54 | 270 | 100 | 16 | 61 | 20 | 56 | 190 | 98 | 80 | 80 |
20.5 | 19~20.5 | 153 | 129 | 34 | 65 | 310 | 113 | 19 | 74 | 21 | 67 | 216 | 107 | 84 | 92 |
24 | 22~24 | 175 | 147 | 39 | 70 | 345 | 128 | 21 | 86 | 22 | 77 | 241 | 120 | 92 | 102 |
28 | 26~28 | 191 | 163 | 46 | 75 | 385 | 140 | 26 | 104 | 23 | 88 | 270 | 134 | 92 | 115 |
32 | 30~32 | 218 | 186 | 53 | 86 | 435 | 160 | 21 | 122 | 24 | 103 | 305 | 150 | 98 | 130 |
36 | 34~36 | 240 | 208 | 59 | 96 | 490 | 177 | 21 | 133 | 25 | 103 | 342 | 164 | 110 | 145 |
40 | 38~40 | 266 | 230 | 65 | 101 | 540 | 195 | 34 | 141 | 26 | 109 | 378 | 178 | 130 | 160 |
44 | 42~44 | 292 | 252 | 72 | 116 | 590 | 212 | 34 | 150 | 27 | 110 | 412 | 192 | 142 | 180 |
48 | 46~48 | 313 | 273 | 78 | 121 | 640 | 230 | 34 | 159 | 28 | 119 | 450 | 213 | 155 | 190 |
52 | 50~52 | 338 | 294 | 85 | 126 | 695 | 247 | 35 | 170 | 30 | 127 | 491 | 232 | 170 | 200 |
56 | 54~56 | 359 | 315 | 92 | 134 | 745 | 265 | 36 | 182 | 31 | 134 | 528 | 250 | 182 | 210 |
60 | 58~60 | 384 | 336 | 98 | 142 | 795 | 282 | 39 | 193 | 32 | 137 | 564 | 270 | 195 | 230 |
64 | 62~64 | 407 | 357 | 104 | 150 | 850 | 300 | 41 | 202 | 33 | 147 | 600 | 280 | 208 | 250 |
68 | 66~68 | 429 | 377 | 110 | 160 | 900 | 318 | 43 | 213 | 34 | 151 | 635 | 296 | 220 | 270 |
Form 1-2:
Nominal Size | R1 | R2 | R3 | R4 | R5 | T | T1 | b | b1 | l | h | d | Solder Foot f | Weight (kg) |
14 | 118 | 12 | 50 | 75 | 11 | 10 | 12 | 25 | 40 | 40 | 25 | 14 | 5 | 9 |
17.5 | 135 | 14 | 48 | 80 | 15 | 10 | 12 | 29 | 38 | 53 | 32 | 14 | 6 | 12 |
20.5 | 155 | 17 | 47 | 84 | 19 | 12 | 14 | 32 | 42 | 63 | 37 | 20 | 6 | 18 |
24 | 172 | 20 | 49 | 92 | 23 | 14 | 14 | 36 | 47 | 73 | 43 | 20 | 7 | 25 |
28 | 192 | 22 | 44 | 92 | 30 | 14 | 16 | 39 | 48 | 85 | 48 | 20 | 7 | 32 |
32 | 217 | 26 | 50 | 98 | 35 | 16 | 20 | 44 | 53 | 100 | 48 | 24 | 9 | 48 |
36 | 245 | 30 | 57 | 110 | 46 | 16 | 22 | 48 | 59 | 113 | 53 | 26 | 9 | 62 |
40 | 270 | 33 | 62 | 130 | 50 | 18 | 25 | 53 | 66 | 125 | 68 | 30 | 10 | 87 |
44 | 295 | 33 | 67 | 142 | 60 | 20 | 28 | 57 | 72 | 140 | 75 | 30 | 10 | 115 |
48 | 320 | 33 | 73 | 155 | 60 | 20 | 30 | 62 | 79 | 151 | 82 | 30 | 12 | 141 |
52 | 345 | 34 | 82 | 170 | 65 | 22 | 32 | 67 | 86 | 167 | 88 | 30 | 12 | 180 |
56 | 370 | 35 | 87 | 182 | 70 | 22 | 34 | 71 | 93 | 180 | 95 | 30 | 13 | 214 |
60 | 395 | 38 | 93 | 195 | 80 | 24 | 36 | 76 | 98 | 194 | 102 | 32 | 13 | 263 |
64 | 425 | 40 | 99 | 208 | 80 | 25 | 38 | 80 | 104 | 208 | 109 | 34 | 14 | 314 |
68 | 450 | 42 | 104 | 220 | 88 | 26 | 40 | 85 | 111 | 222 | 116 | 36 | 14 | 334 |
BACK TO TOP