| Quantity: 0 Pieces |
| Size: 20, 1/2NB to 12NB |
| Pressure: 10K |
| Body Material: Stainless Steel |
| Type: Lap Joint Flange, Lapped(LJ) |
Applicable medium: Water, Air, Oil, Natural Gas
Specifications Met: ASTM A182, ASME B16.5
Class: 150
Weight: 2 lbs to 25 lbs or greater
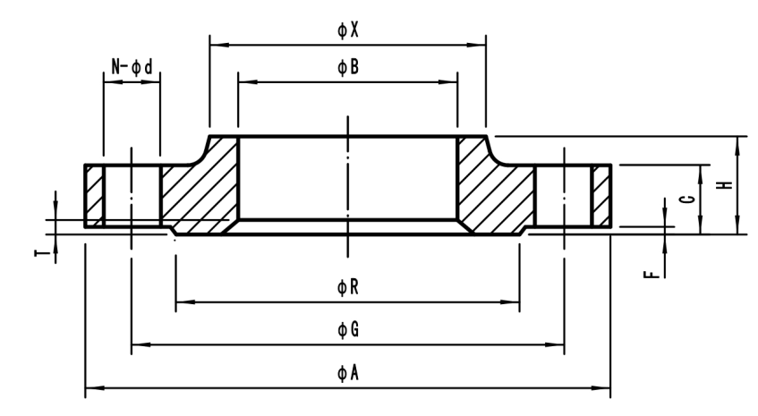
Dimensions
D | A | H | C | X | R | B | F | T | G | N | d | Kg/piece |
mm | mm | mm | mm | mm | mm | mm | mm | ------ | mm | bolt | mm | |
20 | 95 | 18 | 12 | 30 | 45 | 20.2 | 2 | ------ | 65 | 4 | 14 | 0.57 |

Drawing

BACK TO TOP