| Type: D Shackle |
| Grade: Grade 2/Grade 3 |
| Surface: Electro-galvanized / Bituminous paint |
| Availible cert.: CCS, ABS, BV, DNV, LR and other certificates. |
D Shackle

Introduction:
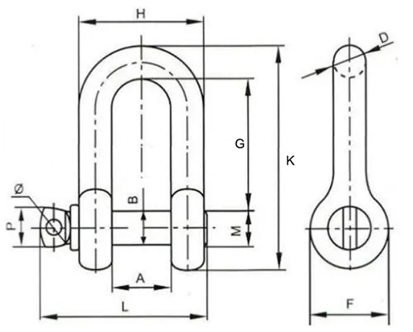
Drawings and Parameters of D Shackle:

Form 1-1:
Code | Nominal Size (inch) | Extreme Working Load (t) | A | B | G | D | H |
JS-0.50 | 1/4 | 0.50 | 11.9 | 8.0 | 19.0 | 6.4 | 24.7 |
JS-0.75 | 5/16 | 0.75 | 13.5 | 9.5 | 25.0 | 7.9 | 29.3 |
JS-1.00 | 3/8 | 1.00 | 16.8 | 11.1 | 31.0 | 9.7 | 36.2 |
JS-1.50 | 7/16 | 1.50 | 19.0 | 12.7 | 36.0 | 11.2 | 41.4 |
JS-2.00 | 1/2 | 2.00 | 20.6 | 16.0 | 41.0 | 12.7 | 46.0 |
JS-3.25 | 5/8 | 3.25 | 27.0 | 19.0 | 51.0 | 16.0 | 59.0 |
JS-4.75 | 3/4 | 4.75 | 31.8 | 22.1 | 60.0 | 19.0 | 69.8 |
JS-6.50 | 7/8 | 6.50 | 36.6 | 25.1 | 71.0 | 22.0 | 80.6 |
JS-8.50 | 1 | 8.50 | 42.9 | 28.5 | 81.0 | 25.0 | 93.0 |
JS-9.50 | 1-1/8 | 9.50 | 46.0 | 31.7 | 91.0 | 28.0 | 102.0 |
JS-12.0 | 1-1/4 | 12.00 | 51.5 | 35.1 | 100.0 | 32.0 | 115.5 |
JS-13.5 | 1-3/8 | 13.50 | 57.0 | 38.0 | 111.0 | 35.0 | 127.0 |
JS-17.0 | 1-1/2 | 17.00 | 60.5 | 41.5 | 124.0 | 38.0 | 136.5 |
JS-25.0 | 1-3/4 | 25.00 | 73.0 | 50.8 | 146.0 | 45.0 | 163.0 |
JS-35.0 | 2 | 35.00 | 82.5 | 57.1 | 171.0 | 51.0 | 184.5 |
JS-55.0 | 2-1/2 | 55.00 | 104.0 | 69.8 | 203.0 | 65.0 | 234.0 |
JS-85.0 | 3 | 85.00 | 127.0 | 85.0 | 216.0 | 76.0 | 279.0 |
Form 1-2:
Code | F | K | L | P | c | M | Weight (kg) |
JS-0.50 | 15.5 | 40.4 | 37.0 | 10.0 | 4.0 | 7.9 | 0.05 |
JS-0.75 | 19.0 | 48.5 | 43.0 | 11.5 | 5.0 | 9.5 | 0.08 |
JS-1.00 | 23.1 | 58.4 | 52.0 | 13.0 | 5.5 | 11.1 | 0.13 |
JS-1.50 | 26.9 | 67.6 | 58.0 | 15.0 | 6.0 | 12.7 | 0.20 |
JS-2.00 | 30.2 | 77.0 | 68.0 | 20.0 | 8.0 | 16.0 | 0.27 |
JS-3.25 | 39.0 | 96.0 | 85.0 | 25.0 | 10.0 | 20.0 | 0.57 |
JS-4.75 | 47.0 | 114.0 | 101.0 | 28.0 | 11.0 | 22.0 | 1.20 |
JS-6.50 | 54.0 | 134.0 | 117.0 | 33.0 | 12.0 | 27.0 | 1.43 |
JS-8.50 | 60.0 | 152.0 | 134.0 | 36.0 | 14.0 | 30.0 | 2.15 |
JS-9.50 | 66.0 | 168.0 | 146.0 | 40.0 | 15.0 | 33.0 | 3.06 |
JS-12.0 | 76.0 | 189.0 | 166.0 | 43.0 | 16.0 | 36.0 | 4.11 |
JS-13.5 | 84.0 | 208.0 | 180.0 | 46.0 | 18.0 | 38.0 | 5.28 |
JS-17.0 | 92.0 | 230.0 | 194.0 | 49.0 | 18.0 | 42.0 | 7.23 |
JS-25.0 | 109.0 | 272.0 | 233.0 | 59.0 | 20.0 | 51.0 | 12.10 |
JS-35.0 | 127.0 | 314.0 | 260.0 | 65.0 | 22.0 | 57.0 | 19.20 |
JS-55.0 | 150.0 | 378.0 | 326.0 | 78.0 | 28.0 | 70.0 | 32.50 |
JS-85.0 | 165.0 | 417.5 | 381.0 | 91.0 | 32.0 | 85.0 | -- |
BACK TO TOP