| Quantity: 0 pieces |
| Material: Q235 |
| Type: Double bitt |
| Availible cert.: CCS, ABS, BV, DNV, LR and other certificates. |
Double Bollard SWL 64T for Mooring

Application:
ISO13795 welded steel bollard is a type of ship's mooring and towing fittings installed on broad to belay the mooring and towing rope. Type A with compact base plate, type B with wide base plate.
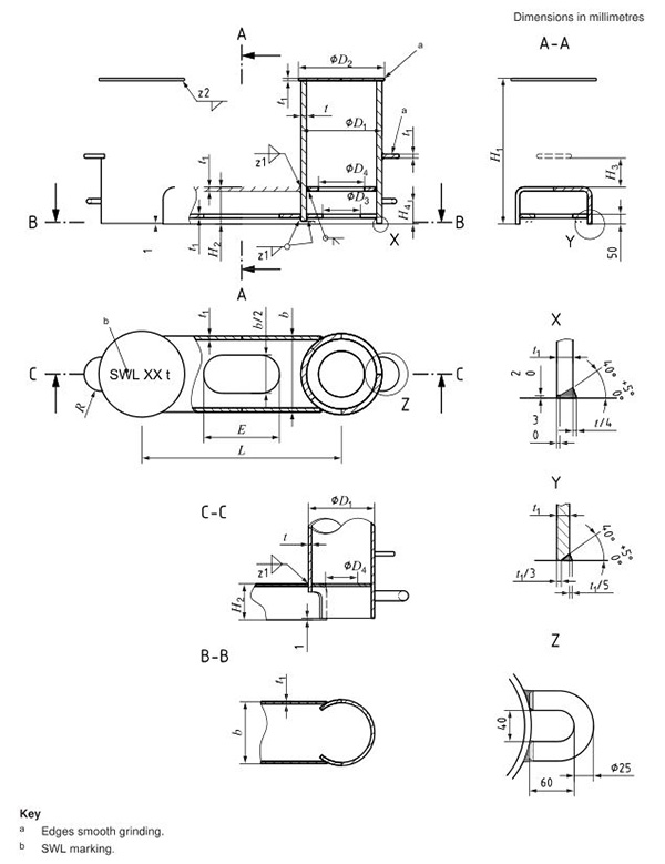
Drawings and Parameters of Double Bollard SWL 64T for Mooring Type A:

Dimensions:
Nominal Size Dn | D1 | D2 | D3 | D4 | H1 | H2 | H3 | H4 | b | L | E | t | t1 | t2 | R |
450A | 457.2 | 480 | 210 | 265 | 770 | 195 | 160 | 120 | 425 | 1100 | 410 | 29.0 | 21 | 14 | 90 |
SWL:
Nominal Size | Welding leg length | SWL | Calculated weight | ||||||
For mooring purposes (Figure-of-eight belay) | For towing purposes (eye splice) | ||||||||
Dn | z1 | z2 | One-rope use | Two-rope use | |||||
(kN) | (t) | (kN) | (t) | (kN) | (t) | (kg) | |||
450A | 12 | 7 | 753 | 77 | 612 | 62 | 8201 | 124 | 712 |
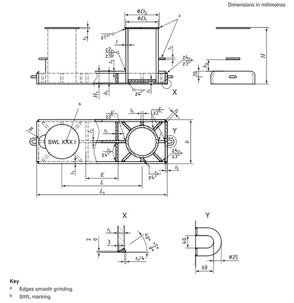
Drawings and Parameters of Double Bollard SWL 64T for Mooring Type B:

Dimensions:
Nominal Size Dn | D1 | D2 | H1 | H2 | h1 | h2 | b | L | L1 | E | t | t1 | t2 | R |
450A | 457.2 | 480 | 745 | 170 | 131 | 160 | 620 | 1100 | 1810 | 430 | 29.0 | 26 | 14 | 90 |
SWL:
Nominal Size | Welding leg length | SWL | Calculated weight | ||||||||
For mooring purposes (Figure-of-eight belay) | For towing purposes (eye splice) | ||||||||||
Dn | z1 | z2 | z3 | z4 | One-rope use | Two-rope use | |||||
(kN) | (t) | (kN) | (t) | (kN) | (t) | (kg) | |||||
450A | 7 | 11 | 16 | 13 | 753 | 77 | 612 | 62 | 10820 | 124 | 979 |
Double Bollard in Factory:

BACK TO TOP