| Quantity: 0 pieces |
| Material: Q235 |
| Type: Double bitt |
| Availible cert.: CCS, ABS, BV, DNV, LR and other certificates. |
Double Bollard SWL 90T for Towing

Application:
ISO13795 welded steel bollard is a type of ship's mooring and towing fittings installed on broad to belay the mooring and towing rope. Type A with compact base plate, type B with wide base plate.
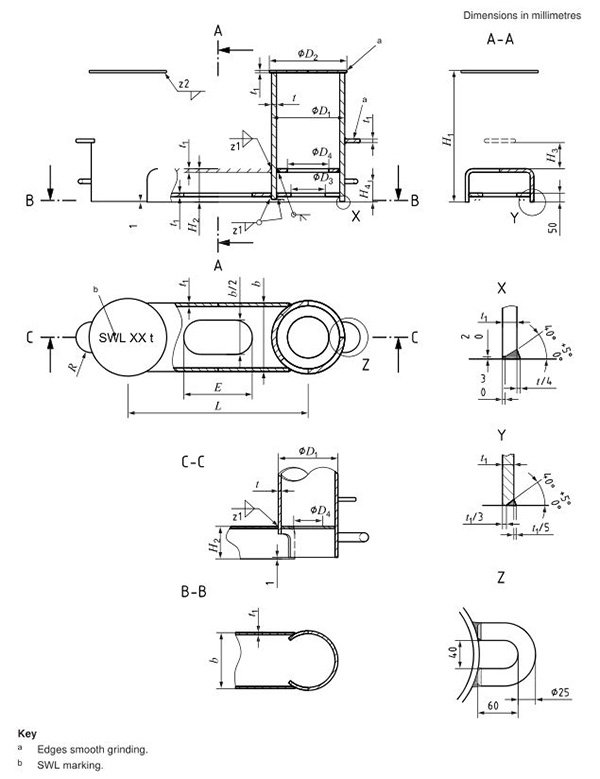
Drawings and Parameters of Double Bollard SWL 90T for Towing Type A:

Dimensions:
Nominal Size Dn | D1 | D2 | D3 | D4 | H1 | H2 | H3 | H4 | b | L | E | t | t1 | t2 | R |
500B | 508.0 | 530 | 235 | 320 | 830 | 230 | 200 | 150 | 480 | 1250 | 460 | 14.5 | 11 | 11 | 100 |
SWL:
Nominal Size | Welding leg length | SWL | Calculated weight | ||||||
For mooring purposes (Figure-of-eight belay) | For towing purposes (eye splice) | ||||||||
Dn | z1 | z2 | One-rope use | Two-rope use | |||||
(kN) | (t) | (kN) | (t) | (kN) | (t) | (kg) | |||
500B | 8 | 5 | 457 | 47 | 326 | 33 | 5474 | 93 | 465 |
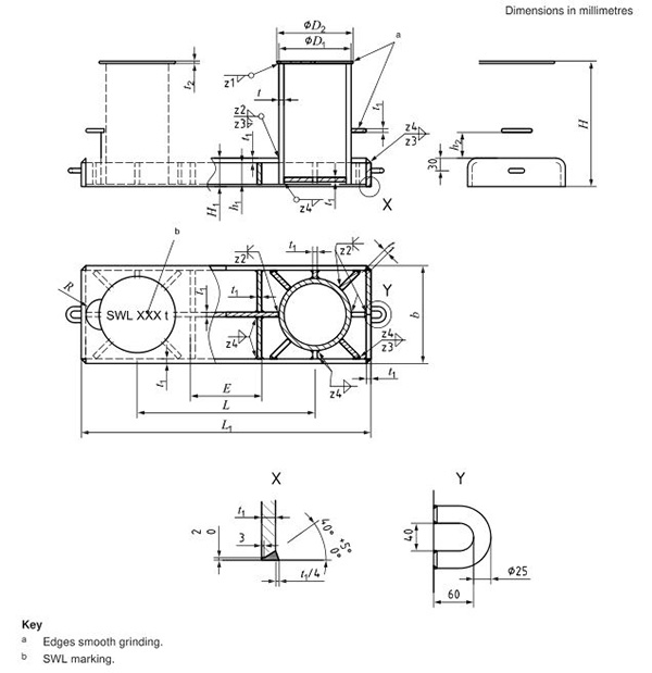
Drawings and Parameters of Double Bollard SWL 90T for Towing Type B:

Dimensions:
Nominal Size Dn | D1 | D2 | H1 | H2 | h1 | h2 | b | L | L1 | E | t | t1 | t2 | R |
500B | 508.0 | 530 | 790 | 190 | 162 | 200 | 690 | 1250 | 2040 | 500 | 14.5 | 13 | 11 | 100 |
SWL:
Nominal Size | Welding leg length | SWL | Calculated weight | ||||||||
For mooring purposes (Figure-of-eight belay) | For towing purposes (eye splice) | ||||||||||
Dn | z1 | z2 | z3 | z4 | One-rope use | Two-rope use | |||||
(kN) | (t) | (kN) | (t) | (kN) | (t) | (kg) | |||||
500B | 5 | 5.5 | 8 | 7 | 457 | 47 | 326 | 33 | 7102 | 93 | 631 |
Double Bollard SWL 90T for Towing under Processing:

BACK TO TOP