| Quantity: 0 pieces |
| Standard: ISO13795 |
| Material: Q235 |
| Type: Double bitt |
| Availible cert.: CCS, ABS, BV, DNV, LR and other certificates. |
ISO13795 Welded Steel Bollard

Application:
ISO13795 welded steel bollard is a type of ship's mooring and towing fittings installed on broad to belay the mooring and towing rope. Type A with compact base plate, type B with wide base plate.
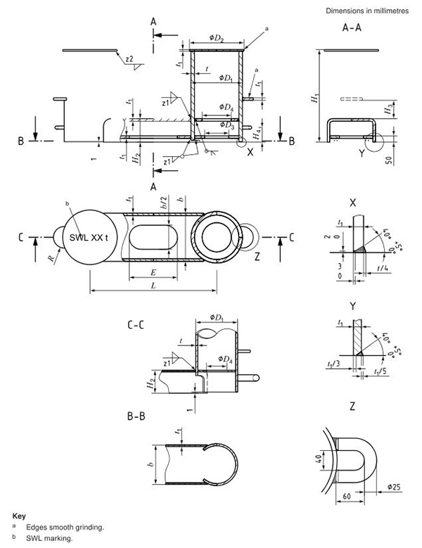
Drawings and Parameters of ISO13795 Welded Steel Bollard Type A:

Dimensions:
Nominal Size Dn | D1 | D2 | D3 | D4 | H1 | H2 | H3 | H4 | b | L | E | t | t1 | t2 | R |
150 | 165.2 | 185 | - | 80 | 330 | 90 | 70 | 60 | 155 | 400 | - | 8.0 | 6 | 6 | 40 |
200 | 216.3 | 240 | - | 130 | 395 | 115 | 70 | 60 | 205 | 500 | - | 8.0 | 6 | 6 | 50 |
250A | 267.4 | 290 | - | 160 | 505 | 135 | 90 | 75 | 250 | 630 | - | 12.0 | 9 | 8 | 60 |
250B | 267.4 | 290 | - | 160 | 505 | 135 | 90 | 75 | 250 | 630 | - | 10.0 | 8 | 7 | 60 |
300A | 318.5 | 340 | 150 | 185 | 600 | 150 | 110 | 85 | 290 | 800 | 300 | 21.5 | 16 | 9 | 70 |
300B | 318.5 | 340 | 150 | 185 | 600 | 150 | 110 | 85 | 290 | 800 | 300 | 12.0 | 9 | 9 | 70 |
350A | 355.6 | 380 | 170 | 200 | 685 | 175 | 130 | 105 | 340 | 890 | 350 | 26.0 | 19 | 11 | 80 |
350B | 355.6 | 380 | 170 | 220 | 685 | 175 | 130 | 105 | 340 | 890 | 350 | 14.0 | 10 | 9 | 80 |
400A | 406.4 | 430 | 190 | 230 | 730 | 185 | 145 | 115 | 380 | 1000 | 380 | 28.0 | 20 | 13 | 85 |
400B | 406.4 | 430 | 190 | 250 | 730 | 185 | 145 | 115 | 380 | 1000 | 380 | 15.0 | 11 | 11 | 85 |
450A | 457.2 | 480 | 210 | 265 | 770 | 195 | 160 | 120 | 425 | 1100 | 410 | 29.0 | 21 | 14 | 90 |
450B | 457.2 | 480 | 210 | 285 | 770 | 195 | 160 | 120 | 425 | 1100 | 410 | 14.5 | 11 | 11 | 90 |
500A | 508.0 | 530 | 235 | 295 | 830 | 230 | 200 | 150 | 480 | 1250 | 460 | 32.0 | 23 | 16 | 100 |
500B | 508.0 | 530 | 235 | 320 | 830 | 230 | 200 | 150 | 480 | 1250 | 460 | 14.5 | 11 | 11 | 100 |
550A | 558.8 | 580 | 255 | 330 | 900 | 270 | 200 | 180 | 520 | 1380 | 540 | 31.0 | 22 | 16 | 110 |
550B | 558.8 | 580 | 255 | 350 | 900 | 270 | 200 | 180 | 520 | 1380 | 540 | 21.0 | 16 | 11 | 110 |
600 | 609.4 | 630 | 280 | 365 | 950 | 300 | 200 | 200 | 560 | 1550 | 600 | 33.0 | 23 | 16 | 120 |
SWL:
Nominal Size | Welding leg length | SWL | Calculated weight | ||||||
For mooring purposes (Figure-of-eight belay) | For towing purposes (eye splice) | ||||||||
Dn | z1 | z2 | One-rope use | Two-rope use | |||||
(kN) | (t) | (kN) | (t) | (kN) | (t) | (kg) | |||
150 | 3.5 | 3.5 | 54 | 5.5 | 49 | 5.0 | 383 | 10 | 29 |
200 | 3.5 | 3.5 | 82 | 8.4 | 65 | 6.7 | 579 | 13 | 46 |
250A | 5.5 | 4 | 156 | 16 | 134 | 14 | 1315 | 27 | 107 |
250B | 5.5 | 4 | 127 | 13 | 108 | 11 | 215 | 22 | 91 |
300A | 10.5 | 4 | 332 | 34 | 306 | 31 | 3365 | 62 | 281 |
300B | 10.5 | 4 | 186 | 19 | 161 | 16 | 352 | 36 | 166 |
350A | 12.5 | 5 | 443 | 45 | 418 | 43 | 5062 | 85 | 431 |
350B | 7 | 4 | 244 | 25 | 216 | 22 | 2855 | 50 | 241 |
400A | 12.5 | 6 | 594 | 61 | 521 | 53 | 6632 | 106 | 570 |
400B | 8 | 5 | 326 | 33 | 269 | 27 | 3816 | 67 | 322 |
450A | 12 | 7 | 753 | 77 | 612 | 62 | 8201 | 124 | 712 |
450B | 8 | 7 | 382 | 39 | 292 | 30 | 4483 | 78 | 379 |
500A | 12.5 | 8 | 992 | 101 | 757 | 77 | 10928 | 154 | 960 |
500B | 8 | 5 | 457 | 47 | 326 | 33 | 5474 | 93 | 465 |
550A | 11.5 | 8 | 1131 | 115 | 812 | 83 | 12635 | 165 | 1123 |
550B | 11.5 | 5 | 781 | 80 | 541 | 55 | 9280 | 159 | 787 |
600 | 11.5 | 8 | 1401 | 143 | 948 | 97 | 15539 | 193 | 1391 |
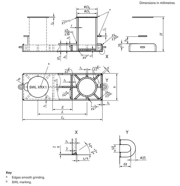
Drawings and Parameters of ISO13795 Welded Steel Bollard Type B:

Dimensions:
Nominal Size Dn | D1 | D2 | H1 | H2 | h1 | h2 | b | L | L1 | E | t | t1 | t2 | R |
150 | 165.2 | 185 | 320 | 80 | 62 | 70 | 225 | 400 | 670 | 145 | 8.0 | 8 | 6 | 40 |
200 | 216.3 | 240 | 365 | 85 | 67 | 70 | 290 | 500 | 860 | 160 | 8.0 | 8 | 6 | 50 |
250A | 267.4 | 290 | 470 | 100 | 79 | 90 | 360 | 630 | 1065 | 215 | 12.0 | 11 | 8 | 60 |
250B | 267.4 | 290 | 470 | 100 | 79 | 90 | 360 | 630 | 1065 | 215 | 10.0 | 8 | 7 | 60 |
300A | 318.5 | 340 | 575 | 125 | 95 | 110 | 430 | 800 | 1300 | 325 | 21.5 | 20 | 9 | 70 |
300B | 318.5 | 340 | 575 | 125 | 95 | 110 | 430 | 800 | 1300 | 325 | 12.0 | 9 | 9 | 70 |
350A | 355.6 | 380 | 655 | 145 | 108 | 130 | 480 | 890 | 1475 | 360 | 26.0 | 23.5 | 11 | 80 |
350B | 355.6 | 380 | 655 | 145 | 119 | 130 | 480 | 890 | 1475 | 360 | 14.0 | 13 | 9 | 80 |
400A | 406.4 | 430 | 705 | 160 | 121 | 145 | 550 | 1000 | 1630 | 400 | 28.0 | 26 | 13 | 85 |
400B | 406.4 | 430 | 705 | 160 | 133 | 145 | 550 | 1000 | 1630 | 400 | 15.0 | 13.5 | 11 | 85 |
450A | 457.2 | 480 | 745 | 170 | 131 | 160 | 620 | 1100 | 1810 | 430 | 29.0 | 26 | 14 | 90 |
450B | 457.2 | 480 | 745 | 170 | 144 | 160 | 620 | 1100 | 1810 | 430 | 14.5 | 13 | 11 | 90 |
500A | 508.0 | 530 | 790 | 190 | 146 | 200 | 690 | 1250 | 2040 | 500 | 32.0 | 29 | 16 | 100 |
500B | 508.0 | 530 | 790 | 190 | 162 | 200 | 690 | 1250 | 2040 | 500 | 14.5 | 13 | 11 | 100 |
550A | 558.8 | 580 | 840 | 210 | 167 | 200 | 750 | 1380 | 2240 | 560 | 31.0 | 28 | 16 | 110 |
550B | 558.8 | 580 | 840 | 210 | 176 | 200 | 750 | 1380 | 2240 | 560 | 21.0 | 19 | 11 | 110 |
600 | 609.4 | 630 | 875 | 225 | 182 | 200 | 820 | 1550 | 2490 | 660 | 33.0 | 28 | 16 | 120 |
SWL:
Nominal Size | Welding leg length | SWL | Calculated weight | ||||||||
For mooring purposes (Figure-of-eight belay) | For towing purposes (eye splice) | ||||||||||
Dn | z1 | z2 | z3 | z4 | One-rope use | Two-rope use | |||||
(kN) | (t) | (kN) | (t) | (kN) | (t) | (kg) | |||||
150 | 3 | 3 | 6 | 4 | 54 | 5.5 | 49 | 5.0 | 540 | 10 | 45 |
200 | 3 | 3 | 6 | 4 | 82 | 8.4 | 65 | 6.7 | 795 | 13 | 68 |
250A | 4 | 4.5 | 8 | 6 | 156 | 16 | 134 | 14 | 1736 | 27 | 150 |
250B | 3 | 3.5 | 6 | 4 | 127 | 13 | 108 | 11 | 216 | 22 | 119 |
300A | 4 | 8 | 12 | 10 | 332 | 34 | 306 | 31 | 4365 | 62 | 383 |
300B | 4 | 5 | 8 | 6 | 186 | 19 | 161 | 16 | 353 | 36 | 203 |
350A | 5 | 10 | 14 | 12 | 443 | 45 | 418 | 43 | 6543 | 85 | 582 |
350B | 4 | 5.5 | 8 | 16 | 244 | 25 | 216 | 22 | 3757 | 50 | 333 |
400A | 6 | 11 | 16 | 13 | 594 | 61 | 521 | 53 | 8819 | 106 | 793 |
400B | 5 | 5.5 | 8 | 7 | 326 | 33 | 269 | 27 | 4983 | 67 | 441 |
450A | 7 | 11 | 16 | 13 | 753 | 77 | 612 | 62 | 10820 | 124 | 979 |
450B | 7 | 5.5 | 8 | 7 | 382 | 39 | 292 | 30 | 5837 | 78 | 517 |
500A | 8 | 12 | 17 | 15 | 992 | 101 | 757 | 77 | 14470 | 154 | 1321 |
500B | 5 | 5.5 | 8 | 7 | 457 | 47 | 326 | 33 | 7102 | 93 | 631 |
550A | 8 | 11 | 17 | 14 | 1131 | 115 | 812 | 83 | 16628 | 165 | 1530 |
550B | 5 | 8 | 12 | 10 | 781 | 80 | 541 | 55 | 11949 | 159 | 1059 |
600 | 8 | 11 | 17 | 14 | 1401 | 143 | 948 | 97 | 20042 | 193 | 1850 |
ISO13795 Welded Steel Bollard under Processing:

BACK TO TOP