| Quantity:1 Pieces |
| Impeller Dia.: 18cm |
| Structure: Horizontal |
| Impeller Material: Aluminum Alloy |
| Type: Centrifugal Fans |

JCL-18 Marine Or Navy Centrifugal Fans
Jcl-18 Marine centrifugal fan can transport air, including Marine air containing salt mist and corrosive air containing oil mist. The fan is suitable for ventilation of various cabins on ships, boiler ventilation, and other appropriate occasions.
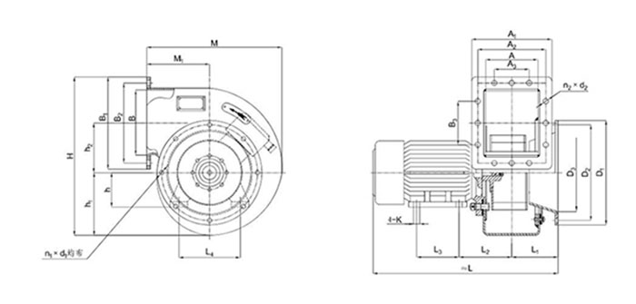
Drawing and Dimensions

Type | Flow rate m³/h | Total pressure Pa | Static pressure Pa | Speed r/min | Motor | A | A₁ | A₂ | A₃ | B | B₁ | B₂ | B₃ | D₃ | D₁ | D₂ | ||
Freq Hz | Power Kw | Type | 125 | 180 | 155 | 80 | 155 | 208 | 185 | 100 | Ø190 | Ø244 | Ø220 | |||||
JCL-18 | 1000 | 870 | 710 | 2920 | 50 | 0.75 | Y801-2H | |||||||||||
1200 | 810 | 640 | ||||||||||||||||
1500 | 810 | 540 | ||||||||||||||||
1600 | 750 | 470 | ||||||||||||||||
600 | 310 | 250 | 1750 | 60 | 0.55 | Y801-4H | ||||||||||||
700 | 290 | 230 | ||||||||||||||||
800 | 290 | 220 | ||||||||||||||||
900 | 290 | 200 | ||||||||||||||||
1200 | 1116 | 1010 | 3500 | 1.1 | Y802-2H | |||||||||||||
1400 | 1100 | 910 | ||||||||||||||||
1800 | 1100 | 780 | ||||||||||||||||
1900 | 1080 | 670 | ||||||||||||||||
Type | n1*d1 | n2*d2 | 4-K | L₁ | L₂ | L₃ | L₄ | h | h₁ | h₂ | H | M₁ | M | L | Weight ≈㎏ |
JCL-18 | 8-Ø10 | 8-Ø10 | 4-Ø10 | 100 | 119 | 100 | 125 | 80 | 142.5 | 111.5 | 358 | 143.5 | 310 | 417 | 27 |
Picture of JCL-18 Marine Or Navy Centrifugal Fans

BACK TO TOP