| Quantity:0 Pieces |
| Impeller Dia.: 50cm |
| Air flow rate:9000~24000/m3/h |
| Total Pressure: 630~2640 Pa |
| Type: Centrifugal Fans |

JCL-50 Marine Or Navy Centrifugal Fan
JCL-50 Marine Or Navy Centrifugal Fan is suitable for cabin air ventilating and exchanging as well as boiler ventilation on ocean-going vessels.
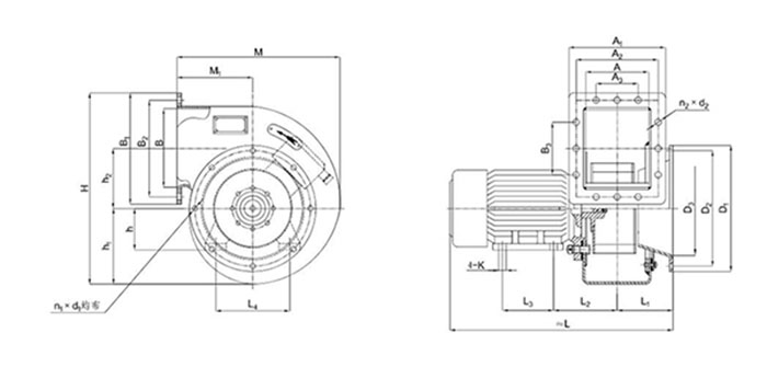
Drawing and Dimension

Type | Flow rate m³/h | Total pressure Pa | Static pressure Pa | Speed r/min | Motor | A | A₁ | A₂ | A₃ | B | B₁ | B₂ | B₃ | D₃ | D₁ | ||
Freq Hz | Power Kw | Type | 360 | 448 | 408 | 290 | 470 | 556 | 515 | 390 | Ø520 | Ø606 | |||||
JCL-50 | 9000 | 870 | 650 | 970 | 50 | 5.5 | Y132M₂-6H | ||||||||||
10000 | 810 | 640 | |||||||||||||||
12000 | 800 | 560 | |||||||||||||||
13000 | 630 | 410 | |||||||||||||||
13500 | 1740 | 1480 | 1460 | 15 | Y160L-4H | ||||||||||||
15000 | 1830 | 1470 | |||||||||||||||
18000 | 1790 | 1270 | |||||||||||||||
20000 | 1440 | 930 | |||||||||||||||
10500 | 1100 | 940 | 1160 | 60 | 7.5 | Y160M-6H | |||||||||||
12000 | 1170 | 930 | |||||||||||||||
14000 | 1140 | 810 | |||||||||||||||
15500 | 910 | 590 | |||||||||||||||
16000 | 2500 | 2120 | 1750 | 22 | Y180L-4H | ||||||||||||
18000 | 2640 | 2110 | |||||||||||||||
21500 | 2580 | 1830 | |||||||||||||||
24000 | 2060 | 1340 | |||||||||||||||
Type | Motor type | n1*d1 | n2*d2 | 4-K | L₁ | L₂ | L₃ | L₄ | h | h₁ | h₂ | H | M₁ | M | L | Weight ≈㎏ |
JCL-50 | Y132M₂-6H | 12-Ø15 | 14-Ø15 | 4-Ø12 | 235 | 278 | 178 | 216 | 132 | 402 | 312 | 992 | 394 | 870 | 866 | 166 |
Y160L-4H | 4-Ø15 | 297 | 254 | 254 | 160 | 966 | 205 | |||||||||
Y160M-6H | 297 | 210 | 254 | 160 | 921 | 180 | ||||||||||
Y180L-4H | 400 | 279 | 279 | 180 | 1021 | 251 |
BACK TO TOP