| Quantity: 0 Pieces |
| Size: 25A |
| Pressure: 10K |
| Body Material: Bronze |
| Type: Strainer |
REMARK: The Flange shall conform to nominal pressure 10K of JIS B2210
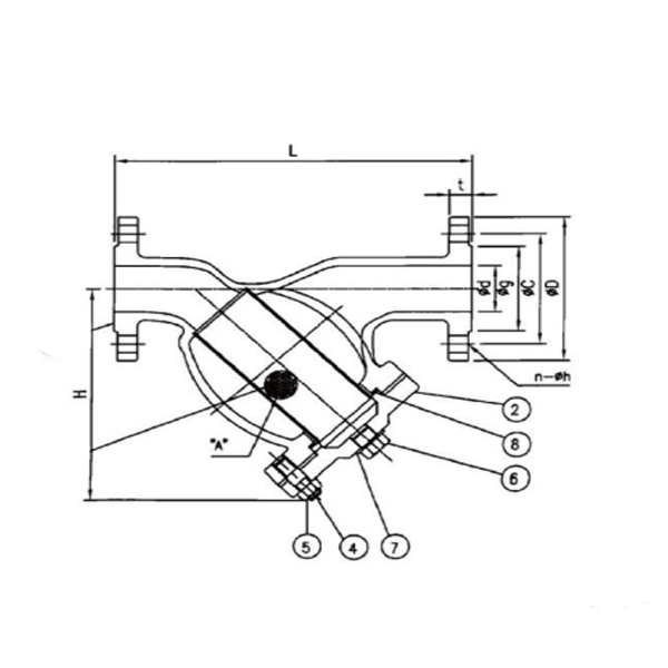
MATERIALS
(1). Body: Bronze;
(2). Bonnet: Bronze;
(3). Wire Gauze: Stainless Steel;
(4). Stud Bolt: Steel;
(5). Hexagon Nut: Steel;
(6). Plug: Brass;
(7). Gasket: Non asbestos
3. Dimensions
JIS F7220 | Size | d | D | C | N-h | t | L | H | kg |
10K | 25 | 25 | 125 | 90 | 4-19 | 14 | 225 | 153 | 6.88 |


BACK TO TOP