| Quantity: 5 Pieces |
| Size: 200A |
| Pressure: 10K |
| Body Material: Cast Steel |
| Type: Straight |
The flanges shall conform to nominal pressure 10K of JIS B 2210
The name plate shall be specified by purchaser as requred
3.Materials:
(1). Body: Cast Steel ;
(2). Bonnet: Cast Steel ;
(3). Hand wheel: Cast Iron ;
(4). Disc: Bronze/Stainless Steel;
(5). Valve Seat: Bronze/Stainless Steel;
(6). Packing Bush: Bronze/Stainless Steel;
(7). Stem: Bronze/Stainless Steel;
(8). Washer For Stem: Bronze/Stainless Steel;
(9). Bonnet Bush: Bronze;
(10). Packing Bush: Bronze;
(11). Packing Gland: Steel;
(12). Stud Bolt: Steel;
(13). Stud Bolt: Steel;
(14). Hexagon Nut: Steel;
(15). Hexagon Nut: Steel;
(16).Hexagon Nut : Steel;
(17). Lock Pin: Steel;
(18). Split Pin: Brass;
(19). Disc Lock Washer: Brass/Stainless Steel;
(20). Packing: Non Asbestos;
(21). Gasket: Non Asbestos;
(22). Washer: Steel
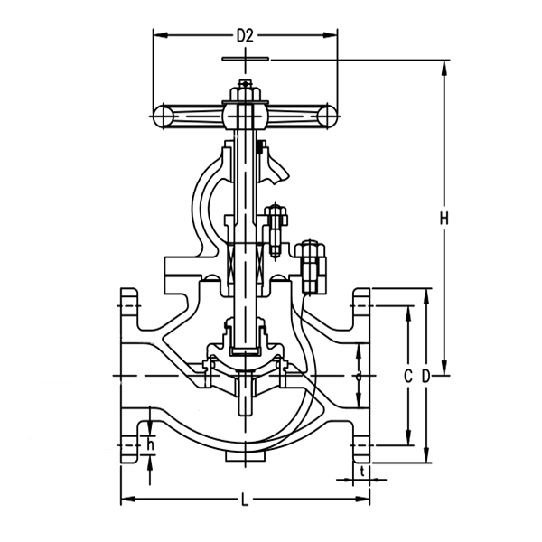
4. Dimensions
Type | Size | L1 | D | C | No. | h | t | H | D2 |
F7319 10K | 200 | 570 | 330 | 290 | 12 | 23 | 26 | 555 | 355 |


BACK TO TOP