| Quantity: 0 Pieces |
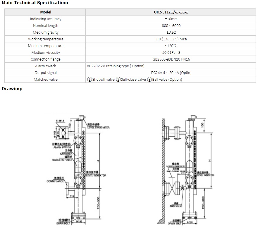
| Model: UHZ-512Z |
| Working Temperature: 1.0 (1.6, 2.5) MPa |
| Connection Flange: GB2506-89 DN20 PN1.6 |
| Nominal Length: 300~6000mm |
Marine Lavel Gauge

UHZ-512 type magnetic float level gauges are used to measure and control level of concretionry and slow liquidity liquid in the tank in ship and other industrial equipment.

BACK TO TOP