| Type: SMIT type |
| Material: Q235/Q345 |
| Suiatble chain size: 50mm~132mm |
| Availible cert.: CCS, ABS, BV, DNV, LR and other certificates. |
SMIT Towing Bracket

Introduction:
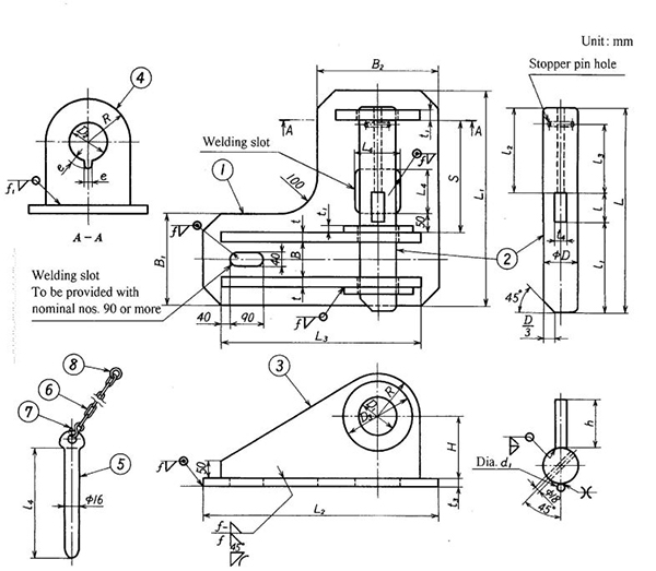
The SMIT towing bracket is an important part of the ship's emergency towing system. The SMIT towing bracket is installed on the deck by welding, and the anchor chain can be quickly locked and released by using a slidable pin.We can issue CCS, ABS, BV, DNV and other certificates for the products.
We can also provide many types of marine equipments. If you want more informations about our products, please contact us by sending an email or make us a phone call.
Drawings and Parameters of SMIT Towing Bracket:

Form 1-1:
Nominal Size | Dia. of Applicable anchor Chain (mm) | Base plate | Pin | ||||||||||||||
L1 | L2 | L4 | B | B1 | B2 | t3 | D | L | l | l1 | l2 | l3 | t4 | h | d1 | ||
52 | 50~52 | 425 | 470 | 95 | 70 | 165 | 230 | 12 | 65 | 430 | 80 | 175 | 175 | 135 | 32 | 100 | 13 |
56 | 54~56 | 450 | 500 | 100 | 75 | 180 | 250 | 14 | 70 | 455 | 80 | 190 | 185 | 145 | 32 | 110 | 13 |
60 | 58~60 | 475 | 540 | 115 | 80 | 195 | 260 | 16 | 75 | 475 | 80 | 200 | 195 | 155 | 32 | 120 | 13 |
64 | 62~64 | 500 | 580 | 120 | 85 | 205 | 270 | 16 | 80 | 505 | 80 | 215 | 210 | 170 | 32 | 130 | 13 |
68 | 66~68 | 530 | 610 | 125 | 90 | 220 | 300 | 19 | 85 | 525 | 80 | 225 | 220 | 175 | 32 | 140 | 16 |
73 | 70~73 | 560 | 660 | 130 | 100 | 235 | 310 | 19 | 90 | 560 | 80 | 245 | 230 | 190 | 32 | 150 | 16 |
78 | 76~78 | 600 | 700 | 140 | 105 | 260 | 340 | 22 | 95 | 590 | 80 | 260 | 250 | 200 | 32 | 160 | 16 |
84 | 81~84 | 620 | 760 | 150 | 110 | 270 | 360 | 22 | 100 | 615 | 80 | 275 | 260 | 210 | 32 | 170 | 16 |
90 | 87~90 | 695 | 810 | 160 | 120 | 295 | 390 | 25 | 110 | 685 | 100 | 300 | 285 | 235 | 40 | 180 | 16 |
95 | 92~95 | 725 | 860 | 170 | 130 | 305 | 410 | 25 | 120 | 720 | 100 | 320 | 300 | 245 | 40 | 190 | 19 |
102 | 97~102 | 765 | 920 | 185 | 135 | 330 | 440 | 28 | 130 | 745 | 100 | 330 | 315 | 260 | 40 | 205 | 19 |
111 | 105~111 | 805 | 1000 | 200 | 145 | 350 | 470 | 28 | 140 | 790 | 100 | 355 | 335 | 280 | 40 | 220 | 19 |
120 | 114~120 | 850 | 1080 | 220 | 160 | 370 | 510 | 28 | 150 | 845 | 100 | 385 | 360 | 305 | 40 | 240 | 19 |
132 | 124~132 | 910 | 1200 | 240 | 175 | 395 | 560 | 30 | 160 | 905 | 100 | 415 | 385 | 330 | 40 | 260 | 19 |
Form 1-2:
Nominal Size | Eye plate | Pin support plate | Stopper pin | Welding leg length | Calculated mass (kg) | |||||||||
L3 | H | D1 | D3 | R | t | t1 | D2 | S | e | l4 | f | f1 | ||
52 | 415 | 130 | 70 | 160 | 95 | 22 | 14 | 72 | 245 | 15 | 115 | 10 | 7 | 55 |
56 | 450 | 140 | 75 | 170 | 100 | 25 | 14 | 77 | 255 | 15 | 120 | 11 | 7 | 70 |
60 | 480 | 150 | 80 | 180 | 105 | 25 | 16 | 82 | 265 | 15 | 130 | 12 | 8 | 83 |
64 | 510 | 160 | 85 | 190 | 110 | 28 | 16 | 87 | 280 | 15 | 135 | 12 | 8 | 99 |
68 | 545 | 170 | 90 | 200 | 120 | 28 | 19 | 92 | 290 | 18 | 145 | 13 | 9 | 121 |
73 | 585 | 180 | 95 | 220 | 130 | 30 | 19 | 97 | 305 | 18 | 150 | 14 | 9 | 144 |
78 | 625 | 195 | 100 | 230 | 135 | 32 | 22 | 102 | 320 | 18 | 160 | 15 | 10 | 180 |
84 | 670 | 210 | 105 | 250 | 145 | 35 | 22 | 107 | 330 | 18 | 165 | 16 | 10 | 219 |
90 | 720 | 225 | 115 | 270 | 160 | 38 | 25 | 117 | 375 | 18 | 180 | 17 | 10 | 280 |
95 | 760 | 235 | 120 | 280 | 170 | 38 | 28 | 127 | 390 | 21 | 190 | 18 | 11 | 321 |
102 | 815 | 255 | 135 | 300 | 180 | 40 | 28 | 137 | 405 | 21 | 205 | 19 | 11 | 386 |
111 | 890 | 275 | 145 | 330 | 190 | 45 | 28 | 147 | 425 | 21 | 215 | 20 | 11 | 465 |
120 | 960 | 300 | 155 | 350 | 205 | 50 | 30 | 157 | 450 | 21 | 230 | 21 | 11 | 586 |
132 | 1050 | 330 | 165 | 390 | 225 | 50 | 35 | 167 | 480 | 21 | 245 | 22 | 11 | 723 |
BACK TO TOP