| Standard: CB 531-66 |
| Type: Simple type |
| Suitable chain size: 17mm~37mm |
| Availible cert.: CCS, ABS, BV, DNV, LR and other certificates. |
CB 531-66 Simple Anchor Releaser

Introduction:
The simple anchor releaser in the CB 531-66 standard is suitable for anchor chains from 17mm to 37mm. The simple anchor releaser is simple and quick to operate, and can quickly leave the dangerous area when the ship encounters danger. We can issue CCS, ABS, BV, DNV and other certificates for the products.
We can also provide many types of marine equipments. If you want more informations about our products, please contact us by sending an email or make us a phone call.
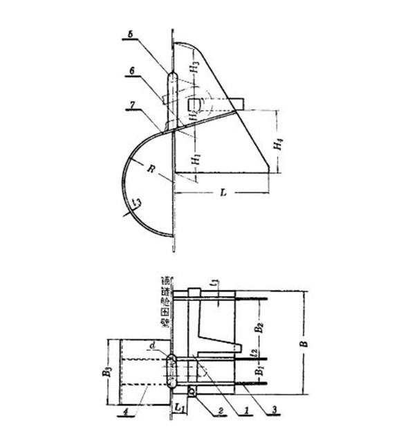
Drawings and Parameters of CB 531-66 Simple Anchor Releaser:

Applicable Anchor Chain Dia. (mm) | L | L1 | B | B1 | B2 | B3 | H1 | H2 | H3 | H4 | R | t1 | t2 | t3 | d | Weight (kg) |
17~19 | 150 | 35 | 238 | 54 | 128 | 140 | 90 | 100 | 100 | 118 | 100 | 6 | 4 | 5 | 28 | 8.93 |
22~25 | 196 | 40 | 270 | 61 | 146 | 170 | 110 | 130 | 110 | 145 | 125 | 8 | 4 | 6 | 30 | 14.36 |
28~31 | 256 | 45 | 305 | 70 | 165 | 200 | 130 | 160 | 120 | 180 | 150 | 10 | 5 | 6 | 30 | 25.41 |
34~37 | 324 | 55 | 360 | 84 | 198 | 230 | 150 | 190 | 130 | 215 | 175 | 12 | 6 | 8 | 36 | 36.86 |
BACK TO TOP