| Standard: CB3143-99 |
| Type: Dog type |
| Suitable chain size: 50mm~120mm |
| Availible cert.: CCS, ABS, BV, DNV, LR and other certificates. |
CB3143-99 Dog Type Cable Clenches Anchor Releaser

Introduction:
The Dog Type Cable Clenches Anchor Releaser in the CB/T 3143-1999 standard has excellent waterproof performance. It can be used for 50mm to 120mm anchor chains. The material is made of structural steel, carbon steel, stainless steel, etc. The Dog Type Cable Clenches Anchor Releaser has passed the strict watertight test, and we can provide it with CCS, ABS, LR, NK, DNV and other certificates.
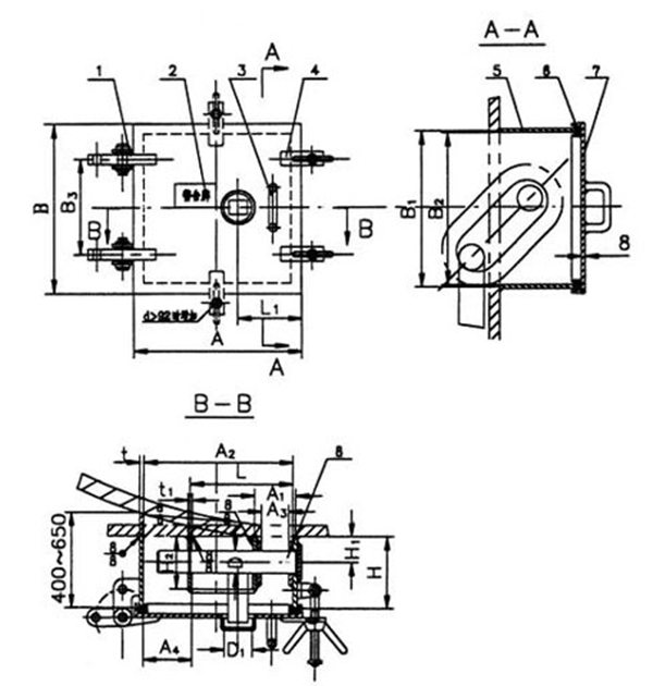
Drawings and Parameters of CB3143-99 Dog Type Cable Clenches Anchor Releaser:

Nominal Dia. (mm) | Applicable Anchor Chain Dia. (mm) | A | A1 | A2 | A3 | A4 | B | B1 | B2 | B3 | H | H1 | H2 | D | D1 | L | t | t1 | Weight (kg) |
52 | 50~52 | 466 | 102 | 400 | 68 | 146 | 398 | 346 | 332 | 250 | 175 | 63 | 110 | 54 | 80 | 266 | 14 | 20 | 85 |
56 | 54~56 | 501 | 112 | 435 | 74 | 146 | 486 | 434 | 420 | 300 | 180 | 70 | 125 | 58 | 90 | 301 | 14 | 25 | 114 |
60 | 58~60 | 541 | 122 | 475 | 80 | 163 | 516 | 464 | 450 | 300 | 185 | 75 | 135 | 62 | 95 | 326 | 14 | 25 | 127 |
64 | 62~64 | 546 | 137 | 480 | 84 | 173 | 546 | 498 | 480 | 400 | 220 | 82 | 140 | 66 | 95 | 330 | 14 | 25 | 143 |
68 | 66~68 | 568 | 144 | 500 | 88 | 176 | 572 | 516 | 504 | 400 | 230 | 86 | 150 | 70 | 95 | 339 | 16 | 25 | 177 |
73 | 70~73 | 604 | 148 | 536 | 94 | 187 | 608 | 558 | 540 | 400 | 246 | 90 | 168 | 75 | 95 | 364 | 16 | 25 | 221 |
78 | 76~78 | 638 | 162 | 570 | 102 | 197 | 644 | 596 | 570 | 450 | 248 | 94 | 168 | 80 | 95 | 388 | 16 | 25 | 225 |
84 | 81~84 | 698 | 168 | 630 | 108 | 210 | 688 | 636 | 620 | 450 | 250 | 102 | 185 | 85 | 100 | 434 | 16 | 28 | 236 |
90 | 87~90 | 730 | 178 | 668 | 116 | 225 | 740 | 686 | 670 | 500 | 280 | 110 | 200 | 90 | 100 | 462 | 18 | 28 | 302 |
95 | 92~95 | 770 | 188 | 700 | 124 | 257 | 780 | 730 | 710 | 500 | 288 | 110 | 200 | 95 | 100 | 457 | 18 | 28 | 335 |
102 | 97~102 | 824 | 188 | 750 | 132 | 276 | 784 | 730 | 710 | 500 | 315 | 130 | 210 | 100 | 100 | 498 | 22 | 28 | 395 |
111 | 105~111 | 886 | 222 | 810 | 142 | 286 | 786 | 730 | 710 | 500 | 370 | 150 | 260 | 110 | 110 | 531 | 24 | 30 | 604 |
120 | 114~120 | 906 | 248 | 830 | 156 | 286 | 786 | 730 | 710 | 500 | 380 | 170 | 270 | 112 | 110 | 566 | 24 | 36 | 620 |
BACK TO TOP