| Material: ZG230-450 |
| Standard: CB T3672-2016 |
| Type: Bulwark-Mounted |
| Surface: Zinc rich primer |
| Availible cert.: CCS, ABS, BV, DNV, LR and other certificates. |
Chock for Single Point Mooring System

Introduction:
The Chock for Single Point Mooring System in the drawing is the chock used with the single-point mooring chain stopper in the standard CB T3672-2016.
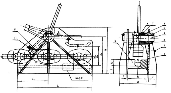
Drawings and Parameters of Chock for Single Point Mooring System:

Drawings and Parameters of CB T3672-2016 single-point mooring chain stopper:

Applicable Anchor Chain Diameter (mm) | SWL (KN) | D | L | L1 | B | B1 | B2 | H | H1 | H2 | h | h1 | t | Weight (kg) |
54 | 980 | 75 | 1100 | 475 | 544 | 300 | 90 | 680 | 550 | 255 | 125 | 95 | 22 | 633 |
76 | 1960 | 116 | 1510 | 620 | 696 | 360 | 123 | 890 | 720 | 330 | 160 | 130 | 28 | 1453 |
Picture of Chock for Single Point Mooring System:

BACK TO TOP