| Material: ZG230-450 |
| Standard: ISO13728 |
| Type: Deck-Mounted/Bulwark-Mounted |
| Surface: Zinc rich primer |
| Availible cert.: CCS, ABS, BV, DNV, LR and other certificates. |
ISO13728 Panama Chock

Introduction:
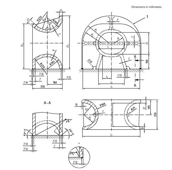
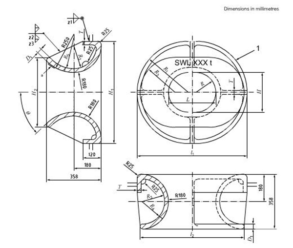
The Panama chock is specially used to guide the mooring ropes of large ships, and the Panama chock is made of high-quality cast steel.The Panama chocks specified in ISO 13728 standard have two types, Type A is installed on the deck, and Type B is installed on the bulwark. Panama chocks can be directly installed on the hull by welding, or embedded in the hull, or fixed to the hull by bolts and nuts.
Drawings and Parameters of ISO13728 Panama Chock Type A:

Nominal Size L (mm) | l1 | l2 | l3 | l4 | H | H1 | H2 | R | R1 | R2 | R3 | R4 | R5 | T | D | SWL | Calculated Weight (kg) | |
KN | t | |||||||||||||||||
310 | 708 | 688 | 105 | 310 | 260 | 639 | 541 | 130 | 329 | 231 | 142 | 140 | 198 | 32 | 38 | 471 | 48 | 257 |
360 | 760 | 740 | 130 | 360 | 260 | 640 | 543 | 130 | 330 | 233 | 140 | 138 | 196 | 34 | 40 | 687 | 70 | 286 |
Drawings and Parameters of ISO13728 Panama Chock Type B:

Nominal Size L (mm) | l1 | l2 | H | H1 | H2 | R | R1 | R2 | R3 | R4 | R5 | T | D1 | θ | SWL | Calculated Weight (kg) | |
KN | t | ||||||||||||||||
310 | 720 | 681 | 260 | 670 | 453 | 130 | 335 | 226.5 | 149 | 147 | 205 | 25 | 31 | 44° | 687 | 70 | 228 |
360 | 770 | 733 | 260 | 670 | 456 | 130 | 335 | 228 | 147 | 145 | 203 | 27 | 33 | 43° | 775 | 79 | 248 |
Picture of ISO13728 Panama Chock Type A:

BACK TO TOP