| Material: ZG230-450 |
| Standard: ISO13729 |
| Type: Deck-Mounted/Bulwark-Mounted |
| Surface: Zinc rich primer |
| Availible cert.: CCS, ABS, BV, DNV, LR and other certificates. |
Chock for Towing

Introduction:
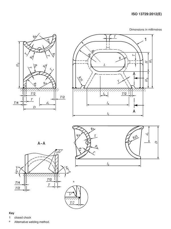
The closed chock is a common ship device installed on the ship to guide the movement of the ropes. In the ISO 13729-2012 standard, there are two types of closed chocks: A type and B type. Type A is installed on the deck and type B is installed on the bulwark.
Drawings and Parameters of Chock for Towing Type A:

Form 1-1:
Nominal size L*H*D | l1 | l2 | l3 | l4 | H1 | H2 | H3 | R | R1 | R2 | R3 |
250*200*214 | 488 | 453 | 76 | 265 | 427 | 368 | 108 | 100 | 219 | 160 | 108 |
300*250*286 | 614 | 565 | 89 | 330 | 551 | 481 | 144 | 125 | 282 | 212 | 144 |
350*250*333 | 716 | 660 | 114 | 403 | 601 | 525 | 168 | 125 | 308 | 232 | 168 |
400*250*381 | 820 | 754 | 139 | 475 | 652 | 553 | 192 | 125 | 335 | 236 | 192 |
450*250*381 | 870 | 804 | 164 | 524 | 652 | 553 | 192 | 125 | 335 | 236 | 192 |
500*250*381 | 920 | 854 | 189 | 574 | 652 | 553 | 192 | 125 | 335 | 236 | 192 |
400*250*428 | 870 | 796 | 139 | 500 | 701 | 609 | 216 | 125 | 360 | 268 | 216 |
450*250*428 | 920 | 846 | 164 | 550 | 701 | 609 | 216 | 125 | 360 | 268 | 216 |
500*250*428 | 970 | 896 | 189 | 600 | 701 | 609 | 216 | 125 | 360 | 268 | 216 |
500*400*428 | 970 | 896 | 176 | 600 | 851 | 759 | 216 | 200 | 435 | 343 | 216 |
500*250*525A | 1068 | 1000 | 190 | 652 | 798 | 675 | 264 | 125 | 409 | 286 | 264 |
500*400*525A | 1068 | 1000 | 193 | 652 | 948 | 825 | 264 | 200 | 484 | 361 | 264 |
500*250*525B | 1074 | 1000 | 176 | 652 | 801 | 680 | 264 | 125 | 412 | 291 | 264 |
500*400*525B | 1074 | 1000 | 179 | 652 | 951 | 830 | 264 | 200 | 487 | 366 | 264 |
Form 1-2:
Nominal size L*H*D | R4 | R5 | R6 | d1 | T | Welding Leg length | SWL | Wire Rope Diameter (recommended) | Calculated weight (kg) | |
z1 | KN | t | ||||||||
250*200*214 | 86 | 150 | 128 | 108 | 22 | 6 | 226 | 23 | 18 | 73 |
300*250*286 | 118 | 180 | 154 | 144 | 26 | 6.5 | 422 | 43 | 24 | 142 |
350*250*333 | 138 | 200 | 170 | 168 | 30 | 7.5 | 549 | 56 | 28 | 222 |
400*250*381 | 156 | 250 | 214 | 192 | 36 | 9 | 687 | 70 | 32 | 310 |
450*250*381 | 156 | 250 | 214 | 192 | 36 | 9 | 706 | 72 | 32 | 322 |
500*250*381 | 156 | 250 | 214 | 192 | 36 | 9 | 765 | 78 | 32 | 337 |
400*250*428 | 178 | 250 | 212 | 216 | 38 | 9.5 | 883 | 90 | 36 | 434 |
450*250*428 | 178 | 250 | 212 | 216 | 38 | 9.5 | 912 | 93 | 36 | 452 |
500*250*428 | 178 | 250 | 212 | 216 | 38 | 9.5 | 932 | 95 | 36 | 472 |
500*400*428 | 178 | 250 | 212 | 216 | 38 | 9.5 | 893 | 91 | 36 | 528 |
500*250*525A | 224 | 320 | 280 | 264 | 40 | 10 | 1148 | 117 | 44 | 657 |
500*400*525A | 224 | 320 | 280 | 264 | 40 | 10 | 1158 | 118 | 44 | 724 |
500*250*525B | 218 | 320 | 274 | 264 | 46 | 11.5 | 1413 | 144 | 44 | 753 |
500*400*525B | 218 | 320 | 274 | 264 | 46 | 11.5 | 1383 | 141 | 44 | 825 |
Drawings and Parameters of Chock for Towing Type B:
Form1-1:
Nominal size L*H*D | l1 | l2 | H1 | H2 | R | R1 | R2 | R3 | R4 | R5 |
250×200×214 | 516 | 441 | 466 | 306 | 100 | 233 | 153 | 108 | 96 | 150 |
300×250×286 | 638 | 554 | 588 | 410 | 125 | 294 | 205 | 144 | 128 | 180 |
350×250×333 | 736 | 646 | 636 | 449 | 125 | 318 | 224.5 | 168 | 150 | 200 |
400×250×381 | 834 | 736 | 684 | 450 | 125 | 342 | 225 | 192 | 172 | 250 |
450×250×381 | 884 | 786 | 684 | 450 | 125 | 342 | 225 | 192 | 172 | 250 |
500×250×381 | 934 | 836 | 684 | 450 | 125 | 342 | 225 | 192 | 172 | 250 |
400×250×428 | 882 | 778 | 732 | 515 | 125 | 366 | 257.5 | 216 | 194 | 250 |
450×250×428 | 932 | 828 | 732 | 515 | 125 | 366 | 257.5 | 216 | 194 | 250 |
500×250×428 | 982 | 878 | 732 | 515 | 125 | 366 | 257.5 | 216 | 194 | 250 |
500×400×428 | 982 | 878 | 882 | 665 | 200 | 441 | 332.5 | 216 | 194 | 250 |
500×250×525A | 1078 | 976 | 828 | 551 | 125 | 414 | 275.5 | 264 | 240 | 320 |
500×400×525A | 1078 | 978 | 978 | 701 | 200 | 489 | 350.6 | 264 | 240 | 320 |
500×250×525B | 1078 | 976 | 828 | 554 | 125 | 414 | 277 | 264 | 238 | 320 |
500×400×525B | 1078 | 978 | 978 | 704 | 200 | 489 | 352 | 264 | 238 | 320 |
Form1-2:
Nominal size L*H*D | R6 | d1 | d2 | T | θ | Welding leg length
| SWL | Wire Rope Diameter (recommended) | Calculated Weight (kg) | ||
z1 | z2 | KN | t | ||||||||
250×200×214 | 138 | 108 | 80 | 12 | 44° | 6 | 5 | 226 | 23 | 18 | 49 |
300×250×286 | 164 | 144 | 100 | 16 | 44° | 8 | 6.5 | 422 | 43 | 24 | 100 |
350×250×333 | 182 | 168 | 120 | 18 | 55° | 9 | 7 | 549 | 56 | 28 | 141 |
400×250×381 | 230 | 192 | 120 | 20 | 47° | 10 | 8 | 687 | 70 | 32 | 184 |
450×250×381 | 230 | 192 | 120 | 20 | 47° | 10 | 8 | 706 | 72 | 32 | 194 |
500×250×381 | 230 | 192 | 120 | 20 | 47° | 10 | 8 | 765 | 78 | 32 | 202 |
400×250×428 | 228 | 216 | 120 | 22 | 56° | 10 | 9 | 883 | 90 | 36 | 264 |
450×250×428 | 228 | 216 | 120 | 22 | 56° | 10 | 9 | 912 | 93 | 36 | 276 |
500×250×428 | 228 | 216 | 120 | 22 | 56° | 10 | 9 | 932 | 95 | 36 | 288 |
500×400×428 | 228 | 216 | 120 | 22 | 56° | 10 | 9 | 893 | 91 | 36 | 311 |
500×250×525A | 296 | 264 | 120 | 24 | 53° | 10 | 9.5 | 1148 | 117 | 44 | 379 |
500×400×525A | 296 | 264 | 120 | 24 | 53° | 10 | 9.5 | 1158 | 118 | 44 | 408 |
500×250×525B | 294 | 264 | 120 | 26 | 53° | 10 | 10.5 | 1413 | 144 | 44 | 405 |
500×400×525B | 294 | 264 | 120 | 26 | 53° | 10 | 10.5 | 1383 | 141 | 44 | 442 |
Picture of Chock for Towing:

BACK TO TOP