| Material: ZG230-450 |
| Standard: JIS F 2007-1976 |
| Type: Bulwark-Mounted |
| Surface: Zinc rich primer |
| Availible cert.: CCS, ABS, BV, DNV, LR and other certificates. |
JIS F 2007-1976 Mooring Chock

Introduction:
JIS F 2007-1976 is a Japanese standard for bulwark mounted chock. There are two types of chocks that meet the Japan standard: type A and type B, which are installed on the ship's bulwark. Marine chock can limit the position of the mooring rope when it is working, and can extend the service life of the mooring ropes while protecting the hull.
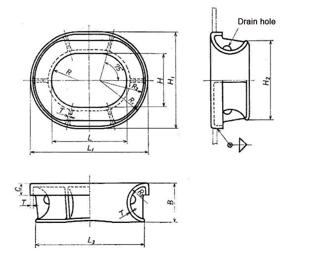
Drawings and Parameters of JIS F 2007-1976 Mooring Chock Type A:

Nomi -nal Size | L | L1 | L2 | H | H1 | H2 | B | C | R | R1 | R2 | R3 | T | Num -ber Of ribs | Leg Of weld | Calcu -lated Mass (kg) | Nominal dia. Of Applicable rope(Reference) | |
Wire rope | Manila rope | |||||||||||||||||
150 | 150 | 300 | 270 | 110 | 260 | 202 | 129 | 40 | 55 | 130 | 115 | 65 | 12 | 4 | 5 | 15.1 | 40 | 16(6x12) |
200 | 200 | 368 | 334 | 150 | 318 | 250 | 143 | 42 | 75 | 159 | 142 | 72 | 12 | 4 | 5 | 20.5 | 45 | 18(6x12) |
250 | 250 | 430 | 394 | 200 | 380 | 308 | 155 | 44 | 100 | 190 | 172 | 78 | 12 | 4 | 5 | 26.9 | 50 | 20(6x12) |
300 | 300 | 500 | 460 | 250 | 450 | 372 | 169 | 52 | 125 | 225 | 205 | 85 | 15 | 4 | 6 | 42.7 | 60 | 22.4(6x12) |
350 | 350 | 560 | 518 | 250 | 460 | 378 | 179 | 55 | 125 | 230 | 209 | 90 | 15 | 6 | 6 | 50.8 | 70 | 24(6x24) |
400 | 400 | 632 | 586 | 250 | 482 | 394 | 195 | 60 | 125 | 241 | 218 | 98 | 18 | 6 | 7 | 76.3 | 80 | 26(6x24) |
450 | 450 | 700 | 650 | 250 | 500 | 406 | 209 | 62 | 125 | 250 | 225 | 105 | 20 | 6 | 8 | 102 | 85 | 30(6x24) |
500 | 500 | 760 | 708 | 250 | 510 | 412 | 219 | 65 | 125 | 255 | 229 | 110 | 20 | 6 | 8 | 115 | 90 | 35.5(6x24) |
Drawings and Parameters of JIS F 2007-1976 Mooring Chock Type B:

Nominal Size | Unit:mm | |||||||||||
L | L1 | L2 | B | C | R3 | T | Number Of ribs | Leg Of weld | Calculated Mass (kg) | Nominal dia. Of Applicable rope(Reference) | ||
Wire rope | Manila rope | |||||||||||
150 | 150 | 318 | 288 | 144 | 42 | 72 | 12 | 4 | 5 | 17.5 | 18(6x12) | 45 |
200 | 200 | 380 | 346 | 155 | 44 | 78 | 12 | 4 | 5 | 23.5 | 20(6x12) | 50 |
250 | 250 | 450 | 414 | 169 | 52 | 85 | 15 | 4 | 6 | 37.5 | 22.4(6x12) | 60 |
300 | 300 | 510 | 470 | 179 | 55 | 90 | 15 | 4 | 6 | 45.5 | 24(6x24) | 70 |
Picture of JIS F 2007-1976 Mooring Chock A:

BACK TO TOP