| Material: ZG230-450 |
| Standard: DIN 81915 |
| Type: Deck-Mounted |
| Surface: Zinc rich primer |
| Availible cert.: CCS, ABS, BV, DNV, LR and other certificates. |
DIN 81915 Chock

Introduction:
DIN 81915 is a German standard for marine chocks. There are five types of chocks that meet the German standard: A, B, C, D, and E, which are installed on the ship's bulwark or deck. Marine chock can limit the position of the mooring rope when it is working, and can extend the service life of the mooring ropes while protecting the hull.
Drawings and Parameters of DIN 81915 Chock:
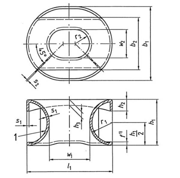
DIN 81915 Chock Type A:

Nominal Size | Wire W.L.(Kn) | b1 | b2 | h1 | h2 | h3 | l1 | r1 | r2 | s1 | s2 | w1 | w2 | Weight (Kg) |
1 | 10 | 250 | 175 | 160 | 65 | 20 | 285 | 80 | 45 | 10 | 5 | 125 | 90 | 18 |
2 | 20 | 315 | 225 | 200 | 70 | 25 | 360 | 100 | 57.5 | 12 | 6 | 160 | 115 | 26 |
3 | 30 | 390 | 275 | 250 | 75 | 32 | 450 | 125 | 70 | 14 | 7 | 200 | 140 | 42 |
5 | 50 | 480 | 340 | 300 | 80 | 38 | 550 | 150 | 90 | 16 | 8 | 250 | 180 | 74 |
8 | 80 | 585 | 415 | 360 | 90 | 45 | 680 | 180 | 112.5 | 18 | 9 | 320 | 225 | 120 |
12 | 125 | 710 | 500 | 440 | 110 | 55 | 840 | 220 | 135 | 20 | 10 | 400 | 270 | 185 |
20 | 200 | 840 | 595 | 520 | 130 | 65 | 1020 | 260 | 160 | 22 | 11 | 500 | 320 | 285 |
32 | 320 | 1100 | 800 | 700 | 150 | 80 | 1300 | 350 | 200 | 35 | 12 | 600 | 400 | 795 |
DIN 81915 Chock Type B:

Nominal Size | d | l2 |
1 | 30 | 115 |
2 | 35 | 125 |
3 | 40 | 140 |
5 | 45 | 160 |
8 | 50 | 180 |
DIN 81915 Chock Type C:

Nominal Size | Wire W.L.(Kn) | e | b1 | h1 | l1 | r1 | r2 | s1 | s2 | w1 | w2 | Weight (Kg) |
20 | 200 | 420 | 840 | 520 | 1020 | 260 | 160 | 22 | 11 | 500 | 320 | 325 |
32 | 320 | 550 | 1100 | 700 | 1300 | 350 | 200 | 35 | 20 | 600 | 400 | 840 |
DIN 81915 Chock Type D:
\
Nominal Size | d | l2 |
1 | 30 | 115 |
2 | 35 | 125 |
3 | 40 | 140 |
5 | 45 | 160 |
8 | 50 | 180 |
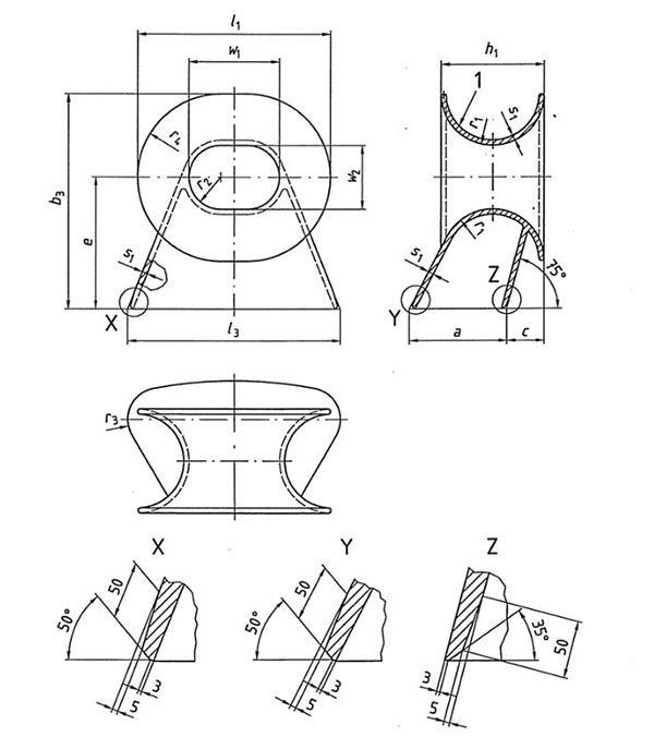
DIN 81915 Chock Type E:

Nominal Size | Wire W.L. (Kn) | a | b3 | c | e | h1 | l1 | l3 | r1 | r2 | r3 | r4 | s1 | w1 | w2 | Weight (Kg) |
8 | 80 | 340 | 752 | 130 | 460 | 360 | 680 | 750 | R180 | R113 | R110 | R293 | 18 | 320 | 225 | 185 |
12 | 120 | 350 | 775 | 130 | 470 | 360 | 760 | 800 | R180 | R125 | R100 | R305 | 28 | 400 | 250 | 300 |
20 | 200 | 560 | 1070 | 190 | 650 | 520 | 1020 | 1200 | R260 | R160 | R170 | R420 | 28 | 500 | 320 | 540 |
Picture of DIN 81915 Chock Type D:

BACK TO TOP