| Material: ZG230-450 |
| Standard: JIS F 2005-1975 |
| Type: Deck-Mounted |
| Surface: Zinc rich primer |
| Availible cert.: CCS, ABS, BV, DNV, LR and other certificates. |
JIS F 2005-1975 Closed Chock

Introduction:
JIS F 2005-1975 is a Japanese standard for marine chocks. In order to protect the marine chocks, the surface of the cast steel marine chock can be galvanized, polished and painted. Marine chocks can reduce the wear between the mooring ropes and the hull, and can extend the service life of the mooring ropes.
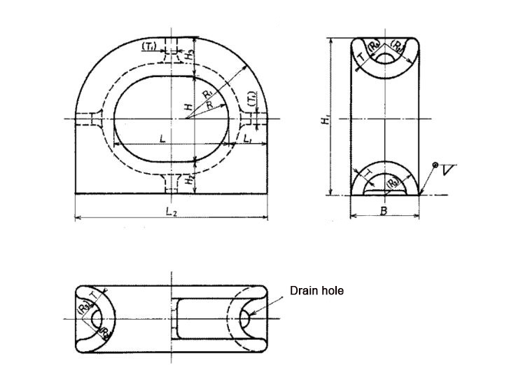
Drawings and Parameters of JIS F 2005-1975 Closed Chock 100mm~200mm:

Nominal size | L | L1 | L2 | B | H | H1 | H2 | H3 | R | R1 | T | (T1) | (R2) | (R3) | Leg Of weld | Calculated Mass (kg) | Nominal dia.of applicable rope(Reference) | ||
Wire Rope (6x24) | Manila rope | Nylon rope | |||||||||||||||||
100 | 100 | 35 | 170 | 60 | 76 | 141 | 30 | 35 | 38 | 73 | 12 | 10 | 30 | 18 | 7 | 8.7 | 14 | 24 | 18 |
150 | 150 | 50 | 250 | 90 | 110 | 205 | 45 | 50 | 55 | 105 | 16 | 12 | 45 | 29 | 8 | 10.5 | 16 | 30 | 22 |
200 | 200 | 70 | 340 | 120 | 150 | 280 | 60 | 70 | 75 | 145 | 20 | 16 | 60 | 40 | 9 | 24.0 | 18 | 40 | 28 |
Drawings and Parameters of JIS F 2005-1975 Closed Chock 250mm~500mm:

Nominal size | L | L1 | L2 | L3 | L4 | B | H | H1 | H2 | H3 | R | R1 | R2 | R3 | r1 | r2 | T | T1 | Calculated Mass (kg) | Nominal dia.of applicable rope(Reference) | |
Wire rope | Manila rope | ||||||||||||||||||||
250 | 250 | 92 | 100 | 250 | 434 | 160 | 200 | 372 | 80 | 92 | 100 | 192 | 80 | 56 | 20 | 15 | 24 | 20 | 48 | 20(6x12) | 50 |
300 | 300 | 114 | 110 | 300 | 528 | 200 | 250 | 464 | 100 | 114 | 125 | 239 | 100 | 72 | 25 | 20 | 28 | 22 | 83 | 22.4(6x12) | 60 |
350 | 350 | 125 | 125 | 350 | 600 | 220 | 250 | 485 | 110 | 125 | 125 | 250 | 110 | 80 | 30 | 20 | 30 | 22 | 103 | 24 (6x24) | 70 |
400 | 400 | 136 | 135 | 370 | 672 | 240 | 250 | 506 | 120 | 136 | 125 | 261 | 120 | 88 | 30 | 20 | 32 | 25 | 136 | 26(6x24) | 80 |
450 | 450 | 148 | 150 | 400 | 746 | 260 | 250 | 528 | 130 | 148 | 125 | 273 | 130 | 94 | 30 | 20 | 36 | 28 | 184 | 30(6x24) | 85 |
500 | 500 | 160 | 175 | 450 | 820 | 280 | 250 | 550 | 140 | 160 | 125 | 285 | 140 | 100 | 30 | 20 | 40 | 30 | 232 | 35.5(6x24) | 90 |
Picture of JIS F 2005-1975 Closed Chock:

BACK TO TOP