| Quantity:1 Pieces |
| Impeller Dia.: 34cm |
| Air flow rate:3550~7800/m3/h |
| Total Pressure: 270~1070 Pa |
| Type: Centrifugal Fans |

JCL-34 Marine Or Navy Centrifugal Fan
The fan is of horizontal type with direct coupling for the motor. However, it can also be constructed into a vertical type.
The impeller is made of riveted aluminium alloy. It has been undergone both static and dynamic calibrations.
Both the casing and the inlet are made of welded common steel with airtight structure.
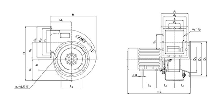
Drawing and Dimensions

Type | Flow rate m³/h | Total pressure Pa | Static pressure Pa | Speed r/min | Motor | A | A₁ | A₂ | A₃ | B | B₁ | B₂ | B₃ | D₃ | D₁ | ||
Freq Hz | Power Kw | Type | 250 | 326 | 295 | 200 | 325 | 399 | 365 | 240 | Ø350 | Ø424 | |||||
JCL-34 | 4500 | 880 | 740 | 1460 | 50 | 3 | Y100L₂-4H | ||||||||||
5000 | 860 | 690 | |||||||||||||||
6000 | 840 | 590 | |||||||||||||||
6500 | 720 | 430 | |||||||||||||||
3550 | 550 | 470 | 1160 | 60 | 1.5 | Y100L-6H | |||||||||||
4000 | 540 | 430 | |||||||||||||||
4750 | 530 | 370 | |||||||||||||||
5150 | 450 | 270 | |||||||||||||||
5400 | 1260 | 1070 | 1750 | 4 | Y112M-4H | ||||||||||||
6000 | 1240 | 980 | |||||||||||||||
7200 | 1200 | 850 | |||||||||||||||
7800 | 1030 | 620 | |||||||||||||||
Type | Motor type | n1*d1 | n2*d2 | 4-K | L₁ | L₂ | L₃ | L₄ | h | h₁ | h₂ | H | M₁ | M | L | Weight ≈㎏ |
JCL-34 | Y100L₂-4H | 8-Ø12 | 12-Ø12 | 4-Ø12 | 175 | 196 | 140 | 160 | 100 | 278 | 217.5 | 695 | 280 | 610 | 633 | 70 |
Y100L-6H | ||||||||||||||||
Y112M-4H | 192 | 140 | 160 | 100 | 653 | 75 |
Picture of JCL-34 Marine Or Navy Centrifugal Fan

BACK TO TOP