| Standard: JIS F2029-97 |
| Type: SMIT type |
| Material: Q235/Q345 |
| Suiatble chain size: 50mm~132mm |
| Availible cert.: CCS, ABS, BV, DNV, LR and other certificates. |
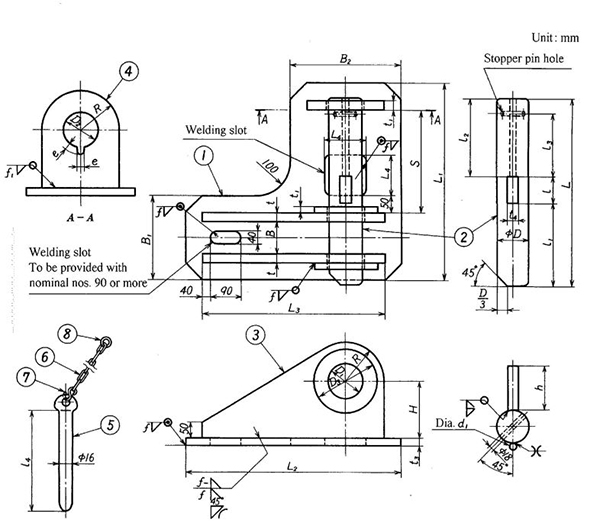
JIS F2029-97 Towing Bracket

Introduction:
JIS F2029-97 towing bracket is a marine deck equipment, which is fixed to the deck by welding and is suitable for chain diameters from 52mm to 132mm.We can issue CCS, ABS, BV, DNV and other certificates for the products.
We can also provide many types of marine equipments. If you want more informations about our products, please contact us by sending an email or make us a phone call.
Drawings and Parameters of JIS F2029-97 Towing Bracket:

Form 1-1:
Nominal Size | Dia. of Applicable anchor Chain (mm) | Base plate | Pin | ||||||||||||||
L1 | L2 | L4 | B | B1 | B2 | t3 | D | L | l | l1 | l2 | l3 | t4 | h | d1 | ||
52 | 50~52 | 425 | 470 | 95 | 70 | 165 | 230 | 12 | 65 | 430 | 80 | 175 | 175 | 135 | 32 | 100 | 13 |
56 | 54~56 | 450 | 500 | 100 | 75 | 180 | 250 | 14 | 70 | 455 | 80 | 190 | 185 | 145 | 32 | 110 | 13 |
60 | 58~60 | 475 | 540 | 115 | 80 | 195 | 260 | 16 | 75 | 475 | 80 | 200 | 195 | 155 | 32 | 120 | 13 |
64 | 62~64 | 500 | 580 | 120 | 85 | 205 | 270 | 16 | 80 | 505 | 80 | 215 | 210 | 170 | 32 | 130 | 13 |
68 | 66~68 | 530 | 610 | 125 | 90 | 220 | 300 | 19 | 85 | 525 | 80 | 225 | 220 | 175 | 32 | 140 | 16 |
73 | 70~73 | 560 | 660 | 130 | 100 | 235 | 310 | 19 | 90 | 560 | 80 | 245 | 230 | 190 | 32 | 150 | 16 |
78 | 76~78 | 600 | 700 | 140 | 105 | 260 | 340 | 22 | 95 | 590 | 80 | 260 | 250 | 200 | 32 | 160 | 16 |
84 | 81~84 | 620 | 760 | 150 | 110 | 270 | 360 | 22 | 100 | 615 | 80 | 275 | 260 | 210 | 32 | 170 | 16 |
90 | 87~90 | 695 | 810 | 160 | 120 | 295 | 390 | 25 | 110 | 685 | 100 | 300 | 285 | 235 | 40 | 180 | 16 |
95 | 92~95 | 725 | 860 | 170 | 130 | 305 | 410 | 25 | 120 | 720 | 100 | 320 | 300 | 245 | 40 | 190 | 19 |
102 | 97~102 | 765 | 920 | 185 | 135 | 330 | 440 | 28 | 130 | 745 | 100 | 330 | 315 | 260 | 40 | 205 | 19 |
111 | 105~111 | 805 | 1000 | 200 | 145 | 350 | 470 | 28 | 140 | 790 | 100 | 355 | 335 | 280 | 40 | 220 | 19 |
120 | 114~120 | 850 | 1080 | 220 | 160 | 370 | 510 | 28 | 150 | 845 | 100 | 385 | 360 | 305 | 40 | 240 | 19 |
132 | 124~132 | 910 | 1200 | 240 | 175 | 395 | 560 | 30 | 160 | 905 | 100 | 415 | 385 | 330 | 40 | 260 | 19 |
Form 1-2:
Nominal Size | Eye plate | Pin support plate | Stopper pin | Welding leg length | Calculated mass (kg) | |||||||||
L3 | H | D1 | D3 | R | t | t1 | D2 | S | e | l4 | f | f1 | ||
52 | 415 | 130 | 70 | 160 | 95 | 22 | 14 | 72 | 245 | 15 | 115 | 10 | 7 | 55 |
56 | 450 | 140 | 75 | 170 | 100 | 25 | 14 | 77 | 255 | 15 | 120 | 11 | 7 | 70 |
60 | 480 | 150 | 80 | 180 | 105 | 25 | 16 | 82 | 265 | 15 | 130 | 12 | 8 | 83 |
64 | 510 | 160 | 85 | 190 | 110 | 28 | 16 | 87 | 280 | 15 | 135 | 12 | 8 | 99 |
68 | 545 | 170 | 90 | 200 | 120 | 28 | 19 | 92 | 290 | 18 | 145 | 13 | 9 | 121 |
73 | 585 | 180 | 95 | 220 | 130 | 30 | 19 | 97 | 305 | 18 | 150 | 14 | 9 | 144 |
78 | 625 | 195 | 100 | 230 | 135 | 32 | 22 | 102 | 320 | 18 | 160 | 15 | 10 | 180 |
84 | 670 | 210 | 105 | 250 | 145 | 35 | 22 | 107 | 330 | 18 | 165 | 16 | 10 | 219 |
90 | 720 | 225 | 115 | 270 | 160 | 38 | 25 | 117 | 375 | 18 | 180 | 17 | 10 | 280 |
95 | 760 | 235 | 120 | 280 | 170 | 38 | 28 | 127 | 390 | 21 | 190 | 18 | 11 | 321 |
102 | 815 | 255 | 135 | 300 | 180 | 40 | 28 | 137 | 405 | 21 | 205 | 19 | 11 | 386 |
111 | 890 | 275 | 145 | 330 | 190 | 45 | 28 | 147 | 425 | 21 | 215 | 20 | 11 | 465 |
120 | 960 | 300 | 155 | 350 | 205 | 50 | 30 | 157 | 450 | 21 | 230 | 21 | 11 | 586 |
132 | 1050 | 330 | 165 | 390 | 225 | 50 | 35 | 167 | 480 | 21 | 245 | 22 | 11 | 723 |
BACK TO TOP